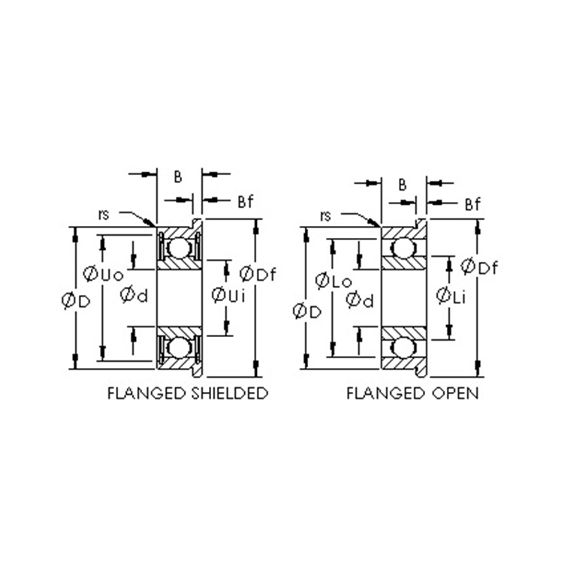
تعتبر محامل الكرة المصغرة من سلسلة Metric Series نوعًا من المحمل المستخدمة على نطاق واسع في الآلات الدقيقة ، وخاصة مناسبة للمعدات ذات المساحة المحدودة والمتطلبات العالية الأداء. عادة ما يتم تصنيع هذه المحامل من مواد عالية الجودة لضمان المتانة والاستقرار. يوفر تصميم الحافة الدعم الإضافي ، ويسهل التثبيت ، ويمكنه أيضًا تقليل إزاحة المحمل أثناء التشغيل. تشمل الميزات الرئيسية لهذا تحمل الكرة المصغرة معاملًا منخفضًا للاحتكاك ، وقدرة عالية على السرعة الدورانية وقدرة حمل على الحمل الممتازة. فهي مناسبة لمجموعة متنوعة من التطبيقات مثل أدوات الطاقة والروبوتات والطابعات والمحركات الصغيرة. فيما يتعلق بالتصميم ، توليت سلسلة Metric Series Flange Miniature Ball أيضًا الاهتمام للتفاصيل وعادةً ما تكون متوفرة بأحجام وتكوينات مختلفة لتلبية احتياجات المعدات المختلفة. عادة ما تكون المحامل مشحمة مسبقًا أو مختومة.
مواصفات المنتج
| رقم المنتج | نوع تحمل | الأبعاد (مم) | تصنيف التحميل الأساسي (n) | |||||
| د | د | ب | ص | BF | تصنيف الحمل الديناميكي (CR) | تصنيف الحمل الثابت (COR) | ||
| F691 | فتح محامل الكرة ذات الحواف | 1 | 4 | 1.6 | 5 | 0.5 | 120 | 30 |
| MF41x | فتح محامل الكرة ذات الحواف | 1.2 | 4 | 1.8 | 4.8 | 0.4 | 95 | 26 |
| F681x | فتح محامل الكرة ذات الحواف | 1.5 | 4 | 1.2 | 5 | 0.4 | 95 | 26 |
| F681XZZ | محامل كرة محفورة مختومة | 1.5 | 4 | 2 | 5 | 0.6 | 95 | 26 |
| F691x | فتح محامل الكرة ذات الحواف | 1.5 | 5 | 2 | 6.5 | 0.6 | 144 | 40 |
| F691xzz | محامل كرة محفورة مختومة | 1.5 | 5 | 2.6 | 6.5 | 0.8 | 144 | 40 |
| F601x | فتح محامل الكرة ذات الحواف | 1.5 | 6 | 2.5 | 7.5 | 0.6 | 281 | 79 |
| F601xzz | محامل كرة محفورة مختومة | 1.5 | 6 | 3 | 7.5 | 0.8 | 281 | 79 |
| F682 | فتح محامل الكرة ذات الحواف | 2 | 5 | 1.5 | 6.1 | 0.5 | 144 | 40 |
| F682 2RS | محامل كرة محفورة مختومة | 2 | 5 | 1.5 | 6.1 | 0.5 | 144 | 40 |
| F682zz | محامل كرة محفورة مختومة | 2 | 5 | 2.3 | 6.1 | 0.6 | 144 | 40 |
| MF52 | فتح محامل الكرة ذات الحواف | 2 | 5 | 2 | 6.2 | 0.6 | 144 | 40 |
| MF52 2RS | محامل كرة محفورة مختومة | 2 | 5 | 2 | 6.2 | 0.6 | 144 | 40 |
| MF52ZZ | محامل كرة محفورة مختومة | 2 | 5 | 2.5 | 6.2 | 0.6 | 144 | 40 |
| F692 | فتح محامل الكرة ذات الحواف | 2 | 6 | 2.3 | 7.5 | 0.6 | 281 | 79 |
| F692 2RS | محامل كرة محفورة مختومة | 2 | 6 | 3 | 7.5 | 0.8 | 281 | 79 |
| F692ZZ | محامل كرة محفورة مختومة | 2 | 6 | 3 | 7.5 | 0.8 | 281 | 79 |
| MF62 | فتح محامل الكرة ذات الحواف | 2 | 6 | 2.5 | 7.2 | 0.6 | 281 | 79 |
| MF62 2RS | محامل كرة محفورة مختومة | 2 | 6 | 2.5 | 7.2 | 0.6 | 281 | 79 |
| MF62ZZ | محامل كرة محفورة مختومة | 2 | 6 | 2.5 | 7.2 | 0.6 | 281 | 79 |
| MF72 | فتح محامل الكرة ذات الحواف | 2 | 7 | 2.5 | 8.2 | 0.6 | 328 | 103 |
| MF72 2RS | محامل كرة محفورة مختومة | 2 | 7 | 3 | 8.2 | 0.6 | 328 | 103 |
| MF72ZZ | محامل كرة محفورة مختومة | 2 | 7 | 3 | 8.2 | 0.6 | 328 | 103 |
| F602 | فتح محامل الكرة ذات الحواف | 2 | 7 | 2.8 | 8.5 | 0.7 | 328 | 103 |
| F602 2RS | محامل كرة محفورة مختومة | 2 | 7 | 2.8 | 8.5 | 0.7 | 328 | 103 |
| F602ZZ | محامل كرة محفورة مختومة | 2 | 7 | 3.5 | 8.5 | 0.9 | 328 | 103 |
| F682x | فتح محامل الكرة ذات الحواف | 2.5 | 6 | 1.8 | 7.1 | 0.5 | 178 | 59 |
| F682x 2RS | محامل كرة محفورة مختومة | 2.5 | 6 | 1.8 | 7.1 | 0.5 | 178 | 59 |
| F682XZZ | محامل كرة محفورة مختومة | 2.5 | 6 | 2.6 | 7.1 | 0.8 | 178 | 59 |
| F692x | فتح محامل الكرة ذات الحواف | 2.5 | 7 | 2.5 | 8.5 | 0.7 | 328 | 103 |
| F692x 2RS | محامل كرة محفورة مختومة | 2.5 | 7 | 3.5 | 8.5 | 0.9 | 328 | 103 |
| F692XZZ | محامل كرة محفورة مختومة | 2.5 | 7 | 3.5 | 8.5 | 0.9 | 328 | 103 |
| MF82x | فتح محامل الكرة ذات الحواف | 2.5 | 8 | 2.5 | 9.2 | 0.6 | 180 | 67 |
| MF82x 2RS | محامل كرة محفورة مختومة | 2.5 | 8 | 2.5 | 9.2 | 0.6 | 180 | 67 |
| MF82XZZ | محامل كرة محفورة مختومة | 2.5 | 8 | 2.5 | 9.2 | 0.6 | 180 | 67 |
| F602x | فتح محامل الكرة ذات الحواف | 2.5 | 8 | 2.8 | 9.5 | 0.7 | 469 | 142 |
| F602x 2RS | محامل كرة محفورة مختومة | 2.5 | 8 | 4 | 9.5 | 0.9 | 469 | 142 |
| F602XZZ | محامل كرة محفورة مختومة | 2.5 | 8 | 4 | 9.5 | 0.9 | 469 | 142 |
| MF63 | فتح محامل الكرة ذات الحواف | 3 | 6 | 2 | 7.2 | 0.6 | 178 | 59 |
| MF63 2RS | محامل كرة محفورة مختومة | 3 | 6 | 2 | 7.2 | 0.6 | 178 | 59 |
| MF63ZZ | محامل كرة محفورة مختومة | 3 | 6 | 2.5 | 7.2 | 0.6 | 178 | 59 |
| F683 | فتح محامل الكرة ذات الحواف | 3 | 7 | 2 | 8.1 | 0.5 | 264 | 90 |
| F683 2RS | محامل كرة محفورة مختومة | 3 | 7 | 3 | 8.1 | 0.8 | 264 | 90 |
| F683zz | محامل كرة محفورة مختومة | 3 | 7 | 3 | 8.1 | 0.8 | 264 | 90 |
| MF83 | فتح محامل الكرة ذات الحواف | 3 | 8 | 2.5 | 9.2 | 0.6 | 336 | 113 |
| MF83 2RS | محامل كرة محفورة مختومة | 3 | 8 | 2.5 | 9.2 | 0.6 | 336 | 113 |
| MF83ZZ | محامل كرة محفورة مختومة | 3 | 8 | 3 | 9.2 | 0.6 | 336 | 113 |
| F693 | فتح محامل الكرة ذات الحواف | 3 | 8 | 3 | 9.5 | 0.7 | 474 | 114 |
| F693 2RS | محامل كرة محفورة مختومة | 3 | 8 | 4 | 9.5 | 0.9 | 474 | 144 |
| F693ZZ | محامل كرة محفورة مختومة | 3 | 8 | 4 | 9.5 | 0.9 | 474 | 144 |
| MF93 | فتح محامل الكرة ذات الحواف | 3 | 9 | 2.5 | 10.2 | 0.6 | 485 | 151 |
| MF93 2R | محامل كرة محفورة مختومة | 3 | 9 | 2.5 | 10.2 | 0.6 | 485 | 151 |
| MF93ZZ | محامل كرة محفورة مختومة | 3 | 9 | 4 | 10.6 | 0.8 | 485 | 151 |
| F603 | فتح محامل الكرة ذات الحواف | 3 | 9 | 3 | 10.5 | 0.7 | 230 | 151 |
| F603 2RS | محامل كرة محفورة مختومة | 3 | 9 | 5 | 10.5 | 0.7 | 230 | 151 |
| F603ZZ | محامل كرة محفورة مختومة | 3 | 9 | 5 | 10.5 | 1 | 230 | 151 |
| F623 | فتح محامل الكرة ذات الحواف | 3 | 10 | 4 | 11.5 | 1 | 536 | 175 |
| F623 2RS | محامل كرة محفورة مختومة | 3 | 10 | 4 | 11.5 | 1 | 536 | 175 |
| F623ZZ | محامل كرة محفورة مختومة | 3 | 10 | 4 | 11.5 | 1 | 536 | 175 |
| MF74 | فتح محامل الكرة ذات الحواف | 4 | 7 | 2 | 8.2 | 0.6 | 264 | 92 |
| MF74 2RS | محامل كرة محفورة مختومة | 4 | 7 | 2 | 8.2 | 0.6 | 264 | 92 |
| MF74ZZ | محامل كرة محفورة مختومة | 4 | 7 | 2.5 | 8.2 | 0.6 | 217 | 86 |
| MF84 | فتح محامل الكرة ذات الحواف | 4 | 8 | 2 | 9.2 | 0.6 | 336 | 113 |
| MF84 2RS | محامل كرة محفورة مختومة | 4 | 8 | 2 | 9.2 | 0.6 | 336 | 113 |
| MF84ZZ | محامل كرة محفورة مختومة | 4 | 8 | 3 | 9.2 | 0.6 | 336 | 113 |
| F684 | فتح محامل الكرة ذات الحواف | 4 | 9 | 2.5 | 10.3 | 0.6 | 545 | 182 |
| F684 2RS | محامل كرة محفورة مختومة | 4 | 9 | 4 | 10.3 | 1 | 545 | 182 |
| F684zz | محامل كرة محفورة مختومة | 4 | 9 | 4 | 10.3 | 1 | 545 | 182 |
| MF104 | فتح محامل الكرة ذات الحواف | 4 | 10 | 3 | 11.2 | 0.6 | 604 | 218 |
| MF104 2RS | محامل كرة محفورة مختومة | 4 | 10 | 4 | 11.6 | 0.8 | 604 | 218 |
| MF104ZZ | محامل كرة محفورة مختومة | 4 | 10 | 4 | 11.6 | 0.8 | 604 | 218 |
| F694 | فتح محامل الكرة ذات الحواف | 4 | 11 | 4 | 12.5 | 1 | 814 | 280 |
| F694 2RS | محامل كرة محفورة مختومة | 4 | 11 | 4 | 12.5 | 1 | 814 | 280 |
| F694ZZ | محامل كرة محفورة مختومة | 4 | 11 | 4 | 12.5 | 1 | 814 | 280 |
| F604 | فتح محامل الكرة ذات الحواف | 4 | 12 | 4 | 13.5 | 1 | 814 | 280 |
| F604 2RS | محامل كرة محفورة مختومة | 4 | 12 | 5 | 13.5 | 1 | 814 | 280 |
| F604ZZ | محامل كرة محفورة مختومة | 4 | 12 | 5 | 13.5 | 1 | 814 | 280 |
| F624 | فتح محامل الكرة ذات الحواف | 4 | 13 | 5 | 15 | 1 | 1106 | 390 |
| F624 2RS | محامل كرة محفورة مختومة | 4 | 13 | 5 | 15 | 1 | 1106 | 390 |
| F624ZZ | محامل كرة محفورة مختومة | 4 | 13 | 5 | 15 | 1 | 1106 | 390 |
| F634 | فتح محامل الكرة ذات الحواف | 4 | 16 | 5 | 18 | 1 | 1139 | 418 |
| F634 2RS | محامل كرة محفورة مختومة | 4 | 16 | 5 | 18 | 1 | 1139 | 418 |
| F634ZZ | محامل كرة محفورة مختومة | 4 | 16 | 5 | 18 | 1 | 1139 | 418 |
| MF85 | فتح محامل الكرة ذات الحواف | 5 | 8 | 2 | 9.2 | 0.6 | 262 | 96 |
| MF85 2RS | محامل كرة محفورة مختومة | 5 | 8 | 2.5 | 9.2 | 0.6 | 185 | 72 |
| MF85ZZ | محامل كرة محفورة مختومة | 5 | 8 | 2.5 | 9.2 | 0.6 | 185 | 72 |
| MF95 | فتح محامل الكرة ذات الحواف | 5 | 9 | 2.5 | 10.2 | 0.6 | 366 | 135 |
| MF95 2RS | محامل كرة محفورة مختومة | 5 | 9 | 3 | 10.2 | 0.6 | 366 | 135 |
| MF95ZZ | محامل كرة محفورة مختومة | 5 | 9 | 3 | 10.2 | 0.6 | 366 | 135 |
| MF105 | فتح محامل الكرة ذات الحواف | 5 | 10 | 3 | 11.2 | 0.6 | 366 | 135 |
| MF105 2RS | محامل كرة محفورة مختومة | 5 | 10 | 4 | 11.6 | 0.8 | 366 | 135 |
| MF105ZZ | محامل كرة محفورة مختومة | 5 | 10 | 4 | 11.6 | 0.8 | 366 | 135 |
| MF115 2RS | محامل كرة محفورة مختومة | 5 | 11 | 4 | 12.6 | 0.8 | 609 | 226 |
| MF115ZZ | محمية محمية محفورة بالكرة | 5 | 11 | 4 | 12.6 | 0.8 | 609 | 226 |
| MF115 | فتح محامل الكرة ذات الحواف | 5 | 11 | 4 | 12.6 | 0.8 | 609 | 226 |
| F685 | فتح محامل الكرة ذات الحواف | 5 | 11 | 3 | 12.5 | 0.8 | 609 | 226 |
| F685 2RS | محامل كرة محفورة مختومة | 5 | 11 | 5 | 12.5 | 1 | 609 | 226 |
| F685ZZ | محامل كرة محفورة مختومة | 5 | 11 | 5 | 12.5 | 1 | 609 | 226 |
| F695 | فتح محامل الكرة ذات الحواف | 5 | 13 | 4 | 15 | 1 | 916 | 346 |
| F695 2RS | محامل كرة محفورة مختومة | 5 | 13 | 4 | 15 | 1 | 916 | 346 |
| F695ZZ | محامل كرة محفورة مختومة | 5 | 13 | 4 | 15 | 1 | 916 | 346 |
| F605 | فتح محامل الكرة ذات الحواف | 5 | 14 | 5 | 16 | 1 | 1130 | 406 |
| F605 2RS | محامل كرة محفورة مختومة | 5 | 14 | 5 | 16 | 1 | 1130 | 406 |
| F605ZZ | محامل كرة محفورة مختومة | 5 | 14 | 5 | 16 | 1 | 1130 | 406 |
| F625 | فتح محامل الكرة ذات الحواف | 5 | 16 | 5 | 18 | 1 | 1470 | 540 |
| F625 2RS | محامل كرة محفورة مختومة | 5 | 16 | 5 | 18 | 1 | 1470 | 540 |
| F625ZZ | محامل كرة محفورة مختومة | 5 | 16 | 5 | 18 | 1 | 1470 | 540 |
| F635 | فتح محامل الكرة ذات الحواف | 5 | 19 | 6 | 22 | 1.5 | 1986 | 717 |
| F635 2RS | محامل كرة محفورة مختومة | 5 | 19 | 6 | 22 | 1.5 | 1986 | 717 |
| F635ZZ | محامل كرة محفورة مختومة | 5 | 19 | 6 | 22 | 1.5 | 1986 | 717 |
| MF106 | فتح محامل الكرة ذات الحواف | 6 | 10 | 2.5 | 11.2 | 0.6 | 422 | 174 |
| MF106 2RS | محامل كرة محفورة مختومة | 6 | 10 | 3 | 11.2 | 0.6 | 422 | 174 |
| MF106ZZ | محامل كرة محفورة مختومة | 6 | 10 | 3 | 11.2 | 0.6 | 422 | 174 |
| MF126 | فتح محامل الكرة ذات الحواف | 6 | 12 | 3 | 13.2 | 0.6 | 609 | 236 |
| MF126 2RS | محامل كرة محفورة مختومة | 6 | 12 | 4 | 13.6 | 0.8 | 609 | 236 |
| MF126ZZ | محامل كرة محفورة مختومة | 6 | 12 | 4 | 13.6 | 0.8 | 609 | 236 |
| F686 | فتح محامل الكرة ذات الحواف | 6 | 13 | 3.5 | 15 | 1 | 920 | 354 |
| F686 2RS | محامل كرة محفورة مختومة | 6 | 13 | 5 | 15 | 1.1 | 920 | 354 |
| F686ZZ | محامل كرة محفورة مختومة | 6 | 13 | 5 | 15 | 1.1 | 920 | 354 |
| F696 | فتح محامل الكرة ذات الحواف | 6 | 15 | 5 | 17 | 1.2 | 1139 | 418 |
| F696 2RS | محامل كرة محفورة مختومة | 6 | 15 | 5 | 17 | 1.2 | 1139 | 418 |
| F696ZZ | محامل كرة محفورة مختومة | 6 | 15 | 5 | 17 | 1.2 | 1139 | 418 |
| F606 | فتح محامل الكرة ذات الحواف | 6 | 17 | 6 | 19 | 1.2 | 1924 | 677 |
| F606 2RS | محامل كرة محفورة مختومة | 6 | 17 | 6 | 19 | 1.2 | 1924 | 677 |
| F606ZZ | محامل كرة محفورة مختومة | 6 | 17 | 6 | 19 | 1.2 | 1924 | 677 |
| F626 | فتح محامل الكرة ذات الحواف | 6 | 19 | 6 | 22 | 1.5 | 1986 | 717 |
| F626 2RS | محامل كرة محفورة مختومة | 6 | 19 | 6 | 22 | 1.5 | 1986 | 717 |
| F626zz | محامل كرة محفورة مختومة | 6 | 19 | 6 | 22 | 1.5 | 1986 | 717 |
| MF117 | فتح محامل الكرة ذات الحواف | 7 | 11 | 2.5 | 12.2 | 0.6 | 387 | 162 |
| MF117 2RS | محامل كرة محفورة مختومة | 7 | 11 | 3 | 12.2 | 0.6 | 387 | 162 |
| MF117ZZ | محامل كرة محفورة مختومة | 7 | 11 | 3 | 12.2 | 0.6 | 387 | 162 |
| MF137 | فتح محامل الكرة ذات الحواف | 7 | 13 | 3 | 14.2 | 0.6 | 460 | 221 |
| MF137 2RS | محامل كرة محفورة مختومة | 7 | 13 | 4 | 14.6 | 0.8 | 460 | 221 |
| MF137ZZ | محامل كرة محفورة مختومة | 7 | 13 | 4 | 14.6 | 0.8 | 460 | 221 |
| F687 | فتح محامل الكرة ذات الحواف | 7 | 14 | 3.5 | 16 | 1 | 997 | 410 |
| F687 2RS | محامل كرة محفورة مختومة | 7 | 14 | 5 | 16 | 1.1 | 997 | 410 |
| F687ZZ | محامل كرة محفورة مختومة | 7 | 14 | 5 | 16 | 1.1 | 997 | 410 |
| F697 | فتح محامل الكرة ذات الحواف | 7 | 17 | 5 | 19 | 1.2 | 1364 | 575 |
| F697 2RS | محامل كرة محفورة مختومة | 7 | 17 | 5 | 19 | 1.2 | 1364 | 575 |
| F697ZZ | محامل كرة محفورة مختومة | 7 | 17 | 5 | 19 | 1.2 | 1364 | 575 |
| F607 | فتح محامل الكرة ذات الحواف | 7 | 19 | 6 | 22 | 1.5 | 1986 | 717 |
| F607 2RS | محامل كرة محفورة مختومة | 7 | 19 | 6 | 22 | 1.5 | 1986 | 717 |
| F607ZZ | محامل كرة محفورة مختومة | 7 | 19 | 6 | 22 | 1.5 | 1986 | 717 |
| F627 | فتح محامل الكرة ذات الحواف | 7 | 22 | 7 | 25 | 1.5 | 2794 | 1103 |
| F627 2RS | محامل كرة محفورة مختومة | 7 | 22 | 7 | 25 | 1.5 | 2794 | 1103 |
| F627zz | محامل كرة محفورة مختومة | 7 | 22 | 7 | 25 | 1.5 | 2794 | 1103 |
| MF128 | فتح محامل الكرة ذات الحواف | 8 | 12 | 2.5 | 13.2 | 0.6 | 462 | 219 |
| MF128 2RS | محامل كرة محفورة مختومة | 8 | 12 | 3.5 | 13.6 | 0.8 | 462 | 219 |
| MF128ZZ | محامل كرة محفورة مختومة | 8 | 12 | 3.5 | 13.6 | 0.8 | 462 | 219 |
| MF148 | فتح محامل الكرة ذات الحواف | 8 | 14 | 3.5 | 15.6 | 0.8 | 695 | 309 |
| MF148 2RS | محامل كرة محفورة مختومة | 8 | 14 | 4 | 15.6 | 0.8 | 695 | 309 |
| MF148ZZ | محامل كرة محفورة مختومة | 8 | 14 | 4 | 15.6 | 0.8 | 695 | 309 |
| F688 | فتح محامل الكرة ذات الحواف | 8 | 16 | 4 | 18 | 1 | 1064 | 474 |
| F688 2RS | محامل كرة محفورة مختومة | 8 | 16 | 5 | 18 | 1.1 | 1064 | 474 |
| F688zz | محامل كرة محفورة مختومة | 8 | 16 | 5 | 18 | 1.1 | 1064 | 474 |
| F698 | فتح محامل الكرة ذات الحواف | 8 | 19 | 6 | 22 | 1.5 | 1902 | 734 |
| F698 2RS | محامل كرة محفورة مختومة | 8 | 19 | 6 | 22 | 1.5 | 1902 | 734 |
| F698zz | محامل كرة محفورة مختومة | 8 | 19 | 6 | 22 | 1.5 | 1902 | 734 |
| F608 | فتح محامل الكرة ذات الحواف | 8 | 22 | 7 | 25 | 1.5 | 2799 | 1103 |
| F608 2RS | محامل كرة محفورة مختومة | 8 | 22 | 7 | 25 | 1.5 | 2799 | 1103 |
| F608ZZ | محامل كرة محفورة مختومة | 8 | 22 | 7 | 25 | 1.5 | 2799 | 1103 |
| F679 | فتح محامل الكرة ذات الحواف | 9 | 14 | 3 | 15.5 | 0.8 | 781 | 374 |
| F679 2RS | محامل كرة محفورة مختومة | 9 | 14 | 4.5 | 15.5 | 0.8 | 781 | 374 |
| F679zz | محامل كرة محفورة مختومة | 9 | 14 | 4.5 | 15.5 | 0.8 | 781 | 374 |
| F689 | فتح محامل الكرة ذات الحواف | 9 | 17 | 4 | 19 | 1 | 1128 | 534 |
| F689 2RS | محامل كرة محفورة مختومة | 9 | 17 | 5 | 19 | 1.1 | 1128 | 534 |
| F689zz | محامل كرة محفورة مختومة | 9 | 17 | 5 | 19 | 1.1 | 1128 | 534 |
| F699 | فتح محامل الكرة ذات الحواف | 9 | 20 | 6 | 23 | 1.5 | 2097 | 865 |
| F699 2RS | محامل كرة محفورة مختومة | 9 | 20 | 6 | 23 | 1.5 | 2097 | 865 |
| F699ZZ | محامل كرة محفورة مختومة | 9 | 20 | 6 | 23 | 1.5 | 2097 | 865 |
| F609 | فتح محامل الكرة ذات الحواف | 9 | 24 | 7 | 27 | 1.5 | 2853 | 1155 |
| F609 2RS | محامل كرة محفورة مختومة | 9 | 24 | 7 | 27 | 1.5 | 2853 | 1155 |
| F609ZZ | محامل الكرة ذات الحواف المغلقة | 9 | 24 | 7 | 27 | 1.5 | 2853 | 1155 |
نبذة عن Yinin
تطبيقات الصناعة
معلومات إخبارية
تواصل معنا
الاستشارات الفنية
حلول مخصصة
بحث وتطوير مستمر
مراقبة الجودة
الدعم الفني والتدريب
رد سريع
إذا كانت لديك أي استشارة فنية أو ملاحظة، فسنرد عليك بأفضل شكل ممكن!