يعد محمل الأسطوانة المدبب من سلسلة 30200 عبارة عن محمل عالي الأداء يستخدم على نطاق واسع في صناعات الآلات والسيارات. تحتوي هذه السلسلة من المحامل على حلقات داخلية وخارجية وتصميمات أسطوانة ، والتي يمكنها تحمل الأحمال الشعاعية والمحورية والتكيف مع التشغيل عالي السرعة وظروف الحمل الثقيل. عادة ما يكون حجم سلسلة 30200 من 10 مم إلى 100 مم في القطر الداخلي و 30 ملم إلى 150 مم في القطر الخارجي. وهي مناسبة للعديد من المعدات الميكانيكية ، مثل المحركات الكهربائية وصناديق التروس والمعدات الصناعية. يقلل التصميم المدبب لعناصر المتداول بشكل فعال من الاحتكاك ويحسن كفاءة التشغيل والمتانة. تستخدم هذه السلسلة من المحامل عمليات التصنيع الفولاذية والمتقدمة عالية الجودة لضمان أداء ممتاز وحياة خدمة موثوقة. بالإضافة إلى ذلك ، يمكن أن توفر سلسلة 30200 خيارات مختلفة لختم وتزييت وفقًا لاحتياجات العميل لتلبية متطلبات سيناريوهات التطبيق المحددة.
مواصفات المنتج
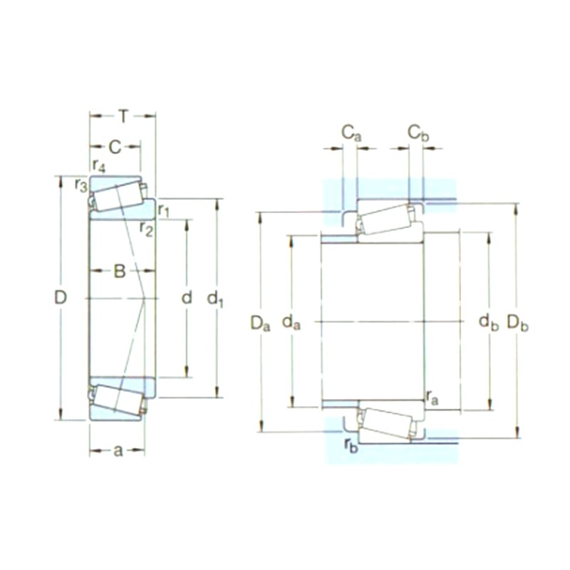
| تعيين | الأبعاد الرئيسية (mm) | تصنيفات الحمل الأساسية (kn) | بو | تصنيفات السرعة (دورة في الدقيقة) | الوزن (كجم) | ISO335 | الأبعاد (مم) | أبعاد الدعامة وأبعاد فيليه (مم) | قيمة | ||||||||||||||||||||
|---|---|---|---|---|---|---|---|---|---|---|---|---|---|---|---|---|---|---|---|---|---|---|---|---|---|---|---|---|---|
| د1 | D | ب | Dذج (CR) | STC (COR) | تصنيفات السرعة | الحد من السرعة | الأبعاد (AبMA) | د | D1 ~ | B | C | R1،2 (دقيقة) | R3،4 (دقيقة) | أ | دا (ماكس) | DB (دقيقة) | دا (دقيقة) | دا (ماكس) | DB (دقيقة) | كاليفورنيا (دقيقة) | CB (دقيقة) | RA (ماكس) | RB (الحد الأقصى) | ه | Y | يو | |||
| 30203J2 | 17 | 40 | 13،25 | 19 | 18،6 | 1،83 | 13000 | 18000 | 0،075 | 2 ديسيبل | 17 | 28 | 12 | 11 | 1 | 1 | 10 | 23 | 23 | 34 | 34 | 37 | 2 | 2 | 1 | 1 | 0،35 | 1،7 | 0،9 |
| 30204J2/Q. | 20 | 47 | 15،25 | 32 | 28 | 3 | 12000 | 15000 | 0،12 | 2 ديسيبل | 20 | 33،2 | 14 | 12 | 1 | 1 | 11 | 27 | 26 | 40 | 41 | 43 | 2 | 3 | 1 | 1 | 0،35 | 1،7 | 0،9 |
| 30205J2/Q. | 25 | 52 | 16،25 | 35،5 | 33،5 | 3،45 | 11000 | 13000 | 0،15 | 3cc | 25 | 37،4 | 15 | 13 | 1 | 1 | 12 | 31 | 31 | 44 | 46 | 48 | 2 | 3 | 1 | 1 | 0،37 | 1،6 | 0،9 |
| 302/28J2 | 28 | 58 | 17،25 | 38 | 41،5 | 4،4 | 9000 | 12000 | 0،25 | - | 28 | 41،8 | 16 | 14 | 1 | 1 | 13 | 35 | 34 | 50 | 52 | 54 | 2 | 3 | 1 | 1 | 0،37 | 1،6 | 0،9 |
| 30206J2/Q. | 30 | 62 | 17،25 | 46،5 | 44 | 4،8 | 9000 | 11000 | 0،23 | 3DB | 30 | 44،6 | 16 | 14 | 1 | 1 | 14 | 38 | 36 | 53 | 56 | 57 | 2 | 3 | 1 | 1 | 0،37 | 1،6 | 0،9 |
| 30207J2/Q. | 35 | 72 | 18،25 | 58،5 | 56 | 6،1 | 8000 | 9500 | 0،32 | 3DB | 35 | 51،8 | 17 | 15 | 1،5 | 1،5 | 15 | 44 | 42 | 62 | 65 | 67 | 3 | 3 | 1،5 | 1،5 | 0،37 | 1،6 | 0،9 |
| 30208J2/Q. | 40 | 80 | 19،75 | 71 | 68 | 7،65 | 7000 | 8500 | 0،42 | 3DB | 40 | 57،5 | 18 | 16 | 1،5 | 1،5 | 16 | 49 | 47 | 69 | 73 | 74 | 3 | 3،5 | 1،5 | 1،5 | 0،37 | 1،6 | 0،9 |
| 30209J2/Q. | 45 | 85 | 20،75 | 76،5 | 76،5 | 8،65 | 6300 | 8000 | 0،48 | 3DB | 45 | 63 | 19 | 16 | 1،5 | 1،5 | 18 | 54 | 52 | 74 | 78 | 80 | 3 | 4،5 | 1،5 | 1،5 | 0،4 | 1،5 | 0،8 |
| 30210J2/Q. | 50 | 90 | 21،75 | 86،5 | 91،5 | 10،4 | 6000 | 7500 | 0،54 | 3DB | 50 | 67،9 | 20 | 17 | 1،5 | 1،5 | 19 | 58 | 57 | 79 | 83 | 85 | 3 | 4،5 | 1،5 | 1،5 | 0،43 | 1،4 | 0،8 |
| 30211J2/Q. | 55 | 100 | 22،75 | 104 | 106 | 12 | 5300 | 6700 | 0،70 | 3DB | 55 | 74،6 | 21 | 18 | 2 | 1،5 | 20 | 64 | 64 | 88 | 93 | 94 | 4 | 4،5 | 2 | 1،5 | 0،4 | 1،5 | 0،8 |
| 30212J2/Q. | 60 | 110 | 23،75 | 112 | 114 | 13،2 | 5000 | 6000 | 0،88 | 3eb | 60 | 81،5 | 22 | 19 | 2 | 1،5 | 22 | 70 | 68 | 96 | 103 | 103 | 4 | 4،5 | 2 | 1،5 | 0،4 | 1،5 | 0،8 |
| 30213J2/Q. | 65 | 120 | 24،75 | 132 | 134 | 16،3 | 4500 | 5600 | 1،15 | 3eb | 65 | 89 | 23 | 20 | 2 | 1،5 | 23 | 78 | 74 | 106 | 113 | 113 | 4 | 4،5 | 2 | 1،5 | 0،4 | 1،5 | 0،8 |
| 30214J2/Q. | 70 | 125 | 26،25 | 125 | 156 | 18 | 4000 | 5300 | 1،25 | 3eb | 70 | 93،9 | 24 | 21 | 2 | 1،5 | 25 | 82 | 78 | 110 | 115 | 118 | 4 | 5 | 2 | 1،5 | 0،43 | 1،4 | 0،8 |
| 30215J2/Q. | 75 | 130 | 27،25 | 140 | 176 | 20،4 | 3800 | 5000 | 140 | 4DB | 75 | 99،2 | 25 | 22 | 2 | 1،5 | 27 | 86 | 84 | 115 | 122 | 124 | 4 | 5 | 2 | 1،5 | 0،43 | 1،4 | 0،8 |
| 30216J2/Q. | 80 | 140 | 28،25 | 151 | 183 | 21،2 | 3400 | 4800 | 160 | 3eb | 80 | 105 | 26 | 22 | 2،5 | 2 | 28 | 92 | 90 | 124 | 130 | 132 | 4 | 6 | 2 | 2 | 0،43 | 1،4 | 0،8 |
| 30217J2/Q. | 85 | 150 | 30،5 | 176 | 220 | 25،5 | 3200 | 4300 | 205 | 3eb | 85 | 112 | 28 | 24 | 2،5 | 2 | 30 | 97 | 95 | 132 | 140 | 141 | 5 | 6،5 | 2 | 2 | 0،43 | 1،4 | 0،8 |
| 30218J2 | 90 | 160 | 32،5 | 194 | 245 | 28،5 | 3000 | 4000 | 2،55 | 3FB | 90 | 118 | 30 | 26 | 2،5 | 2 | 31 | 104 | 101 | 140 | 150 | 150 | 5 | 6،5 | 2 | 2 | 0،43 | 1،4 | 0،8 |
| 30219J2 | 95 | 170 | 34،5 | 216 | 275 | 31،5 | 2800 | 3800 | 3،00 | 3FB | 95 | 126 | 32 | 27 | 3 | 2،5 | 33 | 110 | 107 | 149 | 158 | 159 | 5 | 7،5 | 2،5 | 2 | 0،43 | 1،4 | 0،8 |
| 33020/ف | 100 | 150 | 39 | 224 | 390 | 41،5 | 3000 | 4000 | 240 | 2ce | 100 | 122 | 39 | 32،5 | 2 | 1،5 | 29 | 109 | 108 | 135 | 142 | 143 | 7 | 6،5 | 2 | 1،5 | 0،3 | 2 | 1،1 |
| 30220J2 | 100 | 180 | 37 | 246 | 320 | 36 | 2800 | 3600 | 365 | 3FB | 100 | 133 | 34 | 29 | 3 | 2،5 | 35 | 116 | 112 | 157 | 168 | 168 | 5 | 8 | 2،5 | 2 | 0،43 | 1،4 | 0،8 |
| 33021/ف | 105 | 160 | 43 | 246 | 430 | 45،5 | 2800 | 3800 | 3،05 | 2de | 105 | 131 | 43 | 34 | 2،5 | 2 | 31 | 117 | 116 | 145 | 150 | 153 | 7 | 9 | 2 | 2 | 0،28 | 2،1 | 1،1 |
| 30221J2 | 105 | 190 | 39 | 270 | 355 | 40 | 2600 | 3400 | 4،25 | 3FB | 105 | 141 | 36 | 30 | 3 | 2،5 | 37 | 123 | 117 | 165 | 178 | 177 | 6 | 9 | 2،5 | 2 | 0،43 | 1،4 | 0،8 |
| 33022 | 110 | 170 | 47 | 281 | 500 | 53 | 2600 | 3600 | 3،85 | 2de | 110 | 139 | 47 | 37 | 2،5 | 2 | 34 | 123 | 121 | 152 | 160 | 161 | 7 | 10 | 2 | 2 | 0،28 | 2،1 | 1،1 |
| 30222J2 | 110 | 200 | 41 | 308 | 405 | 45 | 2400 | 3200 | 5،10 | 3FB | 110 | 148 | 38 | 32 | 3 | 2،5 | 39 | 129 | 122 | 174 | 188 | 187 | 6 | 9 | 2،5 | 2 | 0،43 | 1،4 | 0،8 |
| 33024 | 120 | 180 | 48 | 292 | 540 | 56 | 2600 | 3400 | 4،20 | 2de | 120 | 149 | 48 | 38 | 2،5 | 2 | 36 | 132 | 131 | 160 | 170 | 171 | 6 | 10 | 2 | 2 | 0،3 | 2 | 1،1 |
| 30224J2 | 120 | 215 | 43،5 | 341 | 465 | 49 | 2200 | 3000 | 6،15 | 4FB | 120 | 161 | 40 | 34 | 3 | 2،5 | 43 | 141 | 132 | 187 | 203 | 201 | 6 | 9،5 | 2،5 | 2 | 0،43 | 1،4 | 0،8 |
| 30226J2 | 130 | 230 | 43،75 | 369 | 490 | 53 | 2000 | 2800 | 7،60 | 4FB | 130 | 173 | 40 | 34 | 4 | 3 | 45 | 152 | 146 | 203 | 216 | 217 | 7 | 9،5 | 3 | 2،5 | 0،43 | 1،4 | 0،8 |
| 30228J2 | 140 | 250 | 45،75 | 418 | 570 | 58،5 | 1900 | 2600 | 8،65 | 4FB | 140 | 186 | 42 | 36 | 4 | 3 | 47 | 164 | 156 | 219 | 236 | 234 | 7 | 9،5 | 3 | 2،5 | 0،43 | 1،4 | 0،8 |
| 30230 | 150 | 270 | 49 | 429 | 560 | 57 | 1800 | 2400 | 11،0 | 4 غيغابايت | 150 | 200 | 45 | 38 | 4 | 3 | 50 | 175 | 166 | 234 | 256 | 250 | 9 | 11 | 3 | 2،5 | 0،43 | 1،4 | 0،8 |
| 30232J2 | 160 | 290 | 52 | 528 | 735 | 72 | 1600 | 2200 | 13،0 | 4 غيغابايت | 160 | 214 | 48 | 40 | 4 | 3 | 54 | 189 | 176 | 252 | 275 | 269 | 8 | 12 | 3 | 2،5 | 0،43 | 1،4 | 0،8 |
| 30234J2 | 170 | 310 | 57 | 616 | 865 | 83 | 1500 | 2000 | 19،0 | 4 غيغابايت | 170 | 230 | 52 | 43 | 5 | 4 | 58 | 203 | 190 | 268 | 293 | 288 | 8 | 14 | 4 | 3 | 0،43 | 1،4 | 0،8 |
| 30236J2 | 180 | 320 | 57 | 583 | 815 | 80 | 1500 | 2000 | 20،0 | 4 غيغابايت | 180 | 239 | 52 | 43 | 5 | 4 | 61 | 211 | 200 | 278 | 303 | 297 | 9 | 14 | 4 | 3 | 0،44 | 1،35 | 0،8 |
| 30238J2 | 190 | 340 | 60 | 721 | 1000 | 95 | 1400 | 1800 | 24،0 | 4 غيغابايت | 190 | 254 | 55 | 46 | 5 | 4 | 63 | 224 | 210 | 298 | 323 | 318 | 9 | 14 | 4 | 3 | 0،43 | 1،4 | 0،8 |
| 30240J2 | 200 | 360 | 64 | 792 | 1120 | 106 | 1300 | 1700 | 25،0 | 4 غيغابايت | 200 | 268 | 58 | 48 | 5 | 4 | 68 | 237 | 220 | 315 | 343 | 336 | 9 | 16 | 4 | 3 | 0،43 | 1،4 | 0،8 |
| 30244J2 | 220 | 400 | 72 | 990 | 1400 | 129 | 1200 | 1600 | 40،0 | - | 220 | 294 | 65 | 54 | 5 | 4 | 74 | 259 | 242 | 348 | 383 | 371 | 10 | 18 | 4 | 3 | 0،43 | 1،4 | 0،8 |
نبذة عن Yinin
تطبيقات الصناعة
معلومات إخبارية
تواصل معنا
الاستشارات الفنية
حلول مخصصة
بحث وتطوير مستمر
مراقبة الجودة
الدعم الفني والتدريب
رد سريع
إذا كانت لديك أي استشارة فنية أو ملاحظة، فسنرد عليك بأفضل شكل ممكن!