سلسلة 31300 مدبب الأسطوانة تحمل
سلسلة 31300 مدبب الأسطوانة تحمل
سلسلة 31300 مدبب الأسطوانة تحمل

سلسلة 31300

31300 سلسلة من الأسطوانة مدببة هي محامل المتداول مع قدرة عالية الحمل ومقاومة التآكل ممتازة ، وتستخدم على نطاق واسع في مختلف المعدات والآلات الصناعية. تتبنى هذه السلسلة من المحامل تصميم أسطوانة مدبب ويمكنها تحمل الأحمال الشعاعية والمحورية. إنه مناسب للاستخدام في بيئات التشغيل عالية التحميل وعالي السرعة. تشمل ميزاتها الهيكلية أسطح التلامس المدببة على الحلقات الداخلية والخارجية ، مما يضمن حدوث ملاءمة دقيقة بين البكرات والمسافرين ، وبالتالي تقليل الاحتكاك وتوليد الحرارة. عادةً ما تكون مادة محامل السلسلة 31300 فولاذية عالية الجودة التي يتم معالجتها للحرارة لتعزيز الصلابة والمتانة. بالإضافة إلى ذلك ، فإن هذا المحمل لديه أيضًا إمكانات جيدة محاذاة ذاتية ، والتي يمكن أن تعوض عن الانحرافات الناجمة عن التثبيت غير السليم أو الانحناء العمود ، مما يمتد إلى عمر خدمته. تشمل مجالات التطبيق الشائعة صناعة السيارات وآلات التعدين والمعدات المعدنية والفضاء.

إرسال استفسار

مواصفات المنتج

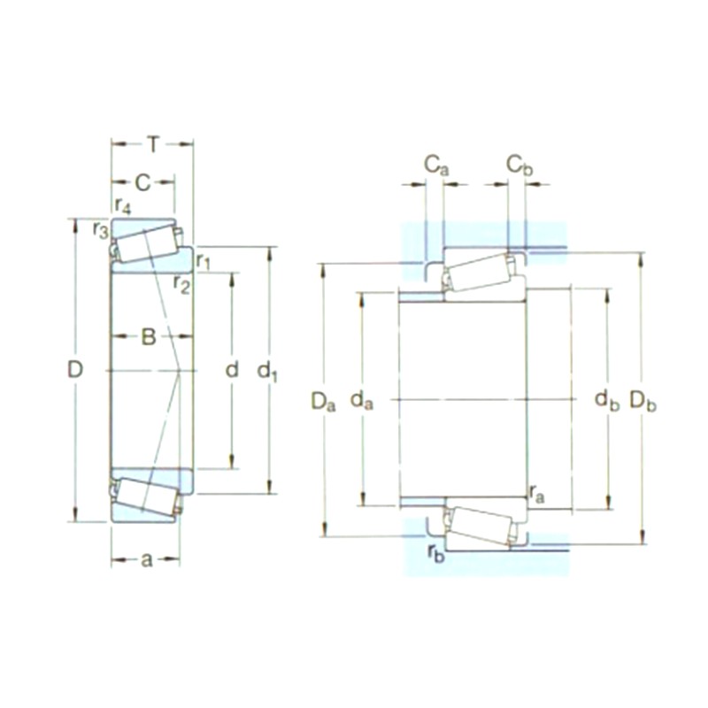
تعيين الأبعاد الرئيسية (mm) تصنيفات الحمل الأساسية (kn) بو تصنيفات السرعة (دورة في الدقيقة) الوزن (كجم) ISO335 الأبعاد (مم) أبعاد الدعامة وأبعاد فيليه (مم) قيمة
د1 D ب Dذج (CR) STC (COR) تصنيفات السرعة الحد من السرعة الأبعاد (AبMA) د D1 ~ B C R1،2 (دقيقة) R3،4 (دقيقة) أ دا (ماكس) DB (دقيقة) دا (دقيقة) دا (ماكس) DB (دقيقة) كاليفورنيا (دقيقة) CB (دقيقة) RA (ماكس) RB (الحد الأقصى) ه Y يو
31305J2 25 62 18،25 38 40 4،4 7500 11000 0،26 7FB 25 45،8 17 13 1،5 1،5 20 34 32 47 55 59 3 5 1،5 1،5 0،83 0،72 0،4
31306J2/Q. 30 72 20،75 55 50 5،7 7500 9500 0،39 7FB 30 52،7 19 14 1،5 1،5 22 40 37 55 65 68 3 6،5 1،5 1،5 0،83 0،72 0،4
31307J2/Q. 35 80 22،75 71 67 7،8 6300 8500 0،52 7FB 35 59،6 21 15 2 1،5 25 45 44 62 71 76 3 7،5 2 1،5 0،83 0،72 0،4
31308J2/QCL7C 40 90 25،25 85 81،5 9،5 5600 7500 0،72 7FB 40 67،1 23 17 2 1،5 28 51 49 71 81 86 3 8 2 1،5 0،83 0،72 0،4
31309J2/QCL7C 45 100 27،25 106 102 12،5 5000 6700 0،95 7FB 45 74،7 25 18 2 1،5 31 57 53 79 91 95 4 9 2 1،5 0،83 0،72 0،4
31310J2/QCL7C 50 110 29،25 122 120 14،3 4500 6000 1،20 7FB 50 81،5 27 19 2،5 2 34 62 60 87 100 104 4 10 2 2 0،83 0،72 0،4
31311J2/QCL7C 55 120 31،5 140 137 16،6 4300 5600 155 7FB 55 88،4 29 21 2،5 2 37 68 65 94 112 113 4 10،5 2 2 0،83 0،72 0،4
31312J2/QCL7C 60 130 33،5 166 166 20،4 3800 5300 190 7FB 60 95،9 31 22 3 2،5 39 74 72 103 118 123 5 11،5 2،5 2 0،83 0،72 0،4
31313J2/QCL7C 65 140 36 190 193 23،6 3600 4800 2،35 7 جيجابايت 65 103 33 23 3 2،5 42 80 77 111 128 132 5 13 2،5 2 0،83 0،72 0،4
31314J2/QCL7C 70 150 38 216 220 27 3400 4500 2،95 7 جيجابايت 70 110 35 25 3 2،5 45 85 82 118 138 141 5 13 2،5 2 0،83 0،72 0،4
31315J2/QCL7C 75 160 40 240 245 29 3200 4300 3،50 7 جيجابايت 75 116 37 26 3 2،5 48 91 87 127 148 151 6 14 2،5 2 0،83 0،72 0،4
31316J1/QCL7C 80 170 42،5 260 265 32 3000 4000 4،05 7 جيجابايت 80 124 39 27 3 2،5 52 97 92 134 158 159 6 15،5 2،5 2 0،83 0،72 0،4
31317J2 85 180 44،5 242 285 33،5 2600 3800 4،60 7 جيجابايت 85 131 41 28 4 3 55 103 99 143 166 169 6 16،5 3 2،5 0،83 0،72 0،4
31318J2 90 190 46،5 264 315 36،5 2400 3400 5،90 7 جيجابايت 90 138 43 30 4 3 57 109 105 151 176 179 5 16،5 3 2،5 0،83 0،72 0،4
31319J2 95 200 49،5 292 355 39 2400 3400 6،95 7 جيجابايت 95 145 45 32 4 3 60 114 110 157 186 187 5 17،5 3 2،5 0،83 0،72 0،4
31320XJ2/CL7CVQ051 100 215 56،5 430 465 51 2400 3000 8،60 7 جيجابايت 100 158 51 35 4 3 65 121 115 168 201 202 7 21،5 3 2،5 0،83 0،72 0،4
31322xj2 110 240 63 457 585 62 1900 2800 12،0 7 جيجابايت 110 176 57 38 4 3 72 135 125 188 226 224 7 25 3 2،5 0،83 0،72 0،4
31324xj2 120 260 68 539 695 73،5 1700 2400 15،5 7 جيجابايت 120 190 62 42 4 3 78 145 135 203 245 244 9 26 3 2،5 0،83 0،72 0،4
31326xj2 130 280 72 605 780 81،5 1600 2400 18،5 7 جيجابايت 130 204 66 44 5 4 84 157 150 218 263 261 8 28 4 3 0،83 0،72 0،4
31328xj2 140 300 77 693 900 88 1500 2200 24،5 7 جيجابايت 140 219 70 47 5 4 90 169 160 235 283 280 9 30 4 3 0،83 0،72 0،4
31330xj2 150 320 82 781 1020 100 1400 2000 29،5 7 جيجابايت 150 234 75 50 5 4 96 181 170 251 303 300 9 32 4 3 0،83 0،72 0،4

نبذة عن Yinin

شركة شنغهاي يينين محمل ونقل تأسست عام ٢٠٠٩، بخبرة تزيد عن ٢٠ عامًا في مجال المحامل. نحن الصين سلسلة 31300 مدبب الأسطوانة تحمل شركة مصنعة ونقدم منتجات مخصصة سلسلة 31300 مدبب الأسطوانة تحمل مصنع. منذ عام ١٩٩٩، نعمل كوكلاء لمصنعي المحامل الصينيين، ونصدر أنواعًا مختلفة من المحامل. واليوم، تطورنا لنصبح مجموعة محامل شاملة تجمع بين المبيعات والتصنيع.

تطبيقات الصناعة

تلعب المحامل أيضًا دورًا مهمًا للغاية في الآلات الزراعية. يتم استخدامها لدعم الأجزاء الدوارة ، وت...

تستخدم المحامل على نطاق واسع في السيارات. إنها الأجزاء الرئيسية الداعمة والدورة من العديد من الأج...

تستخدم في الدعم والطول والزاوية والمفصل والدوار من المعدات الطبية.

تستخدم لدعم وتناوب وأجزاء محرك وضاغط من الأجهزة المنزلية.

تستخدم للتناوب وحركة الدعم وتوجيه أجزاء من معدات الأتمتة

في هياكل البناء ، يمكن استخدام المحامل لتوصيل مكونات هيكلية مختلفة.

في عملية إنتاج المواد الغذائية والمشروبات ، هناك حاجة إلى مضخات لنقل السوائل والضواغط تستخدم لضغط...

يتم استخدام المحامل في محركات الطائرات والمركبة الفضائية لدعم المكونات الدوارة مثل التوربينات وال...

معلومات إخبارية

معرفة المزيد

2026-04-30

محامل الفولاذ المقاوم للصدأ: دليل مقارنة الصدأ والتصنيع...
محامل الفولاذ المقاوم للصدأ هي من بين المواد الحاملة الأكثر استخدامًا في المنتجات الصناعية والاستهلاكية. إنها توفر مقاومة جيدة للتآكل في معظم البيئات، ولكنها ليست مقاومة تمامًا للصدأ، كما أنه...

2026-04-23

الاستراتيجيات الهندسية لتحسين عمر الخدمة للمحامل الكروي...
تأسست شركة Shanghai Yinin Bearing & Transmission Company كمؤسسة صناعية وتجارية متكاملة منذ عام 2016، وهي متخصصة في التصميم والتصنيع الشاملين للمكونات الدوارة المتطورة. مع تاريخ يعود إلى عام 1999 وف...

2026-04-15

كيفية تحديد الخلوص الداخلي المناسب لمحمل كروي مزدوج الص...
تأثير سرعات الدوران العالية على خلوص المحمل قوة الطرد المركزي والتمدد الحراري : في التطبيقات عالية السرعة، الحلقة الداخلية لل الاتصال الزاوي الكرة صف مزدوج تعمل عادةً عند ...

تواصل معنا

SUBMIT

الاستشارات الفنية

  • شركة شنغهاي يينين محمل ونقل

    حلول مخصصة

  • شركة شنغهاي يينين محمل ونقل

    بحث وتطوير مستمر

  • شركة شنغهاي يينين محمل ونقل

    مراقبة الجودة

  • شركة شنغهاي يينين محمل ونقل

    الدعم الفني والتدريب

  • شركة شنغهاي يينين محمل ونقل

    رد سريع

إذا كانت لديك أي استشارة فنية أو ملاحظة، فسنرد عليك بأفضل شكل ممكن!

تواصل معنا