محمل الأسطوانة المدبب 32000 سلسلة هو محمل عالي الأداء يستخدم على نطاق واسع في الحقول الصناعية والميكانيكية. يستخدم بشكل أساسي لحمل شعاعي ومحوري. ميزة تصميم هذا المحمل هي أن خط الاتصال بين الأسطوانة المدببة والحلقات الداخلية والخارجية على اتصال ، والتي يمكن أن توزع الحمل بشكل فعال ، وتقليل الاحتكاك ، وتوسيع عمر الخدمة. عادةً ما تكون محامل السلسلة 32000 مصنوعة من فولاذ عالي القوة ولديها مقاومة ممتازة للارتداء ومقاومة درجة الحرارة العالية ، مما يجعلها مناسبة للاستخدام في بيئات العمل القاسية. يتم استخدامه على نطاق واسع في السيارات والسكك الحديدية وطاقة الرياح وآلات التعدين وغيرها من الحقول ، وخاصة في المواقف التي تكون هناك حاجة إلى الأحمال المحورية الكبيرة. تتطلب هذه السلسلة من المحامل التعديل الصحيح والتشحيم أثناء التثبيت لضمان أداء التشغيل والاستقرار الأمثل.
مواصفات المنتج
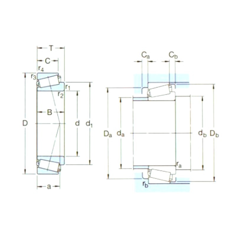
| تعيين | الأبعاد الرئيسية (mm) | تصنيفات الحمل الأساسية (kn) | بو | تصنيفات السرعة (دورة في الدقيقة) | الوزن (كجم) | ISO335 | الأبعاد (مم) | أبعاد الدعامة وأبعاد فيليه (مم) | قيمة | ||||||||||||||||||||
|---|---|---|---|---|---|---|---|---|---|---|---|---|---|---|---|---|---|---|---|---|---|---|---|---|---|---|---|---|---|
| د1 | D | ب | Dذج (CR) | STC (COR) | تصنيفات السرعة | الحد من السرعة | الأبعاد (AبMA) | د | D1 ~ | B | C | R1،2 (دقيقة) | R3،4 (دقيقة) | أ | دا (ماكس) | DB (دقيقة) | دا (دقيقة) | دا (ماكس) | DB (دقيقة) | كاليفورنيا (دقيقة) | CB (دقيقة) | RA (ماكس) | RB (الحد الأقصى) | ه | Y | يو | |||
| 32004X/Q. | 20 | 42 | 15 | 28 | 27 | 2،7 | 13000 | 16000 | 0،097 | 3cc | 20 | 31،1 | 15 | 12 | 0،6 | 0،6 | 10 | 25 | 25 | 36 | 37 | 39 | 2 | 3 | 0،6 | 0،6 | 0،37 | 1،6 | 0،9 |
| 320/22x | 22 | 44 | 15 | 25،1 | 29 | 2،85 | 11000 | 15000 | 0،10 | 3cc | 22 | 33،3 | 15 | 11،5 | 0،6 | 0،6 | 11 | 27 | 27 | 38 | 39 | 41 | 3 | 3،5 | 0،6 | 0،6 | 0،40 | 1،5 | 0،8 |
| 32005x/ف | 25 | 47 | 15 | 31 | 32،5 | 3،25 | 12000 | 14000 | 0،11 | 4cc | 25 | 36،5 | 15 | 11،5 | 0،6 | 0،6 | 11 | 30 | 30 | 40 | 42 | 44 | 3 | 3،5 | 0،6 | 0،6 | 0،43 | 1،4 | 0،8 |
| 320/28x/q | 28 | 52 | 16 | 36،5 | 38 | 4 | 10000 | 13000 | 0،15 | 4cc | 28 | 40،3 | 16 | 12 | 1 | 1 | 12 | 34 | 34 | 45 | 46 | 49 | 3 | 4 | 1 | 1 | 0،43 | 1،4 | 0،8 |
| 32006x/ف | 30 | 55 | 17 | 40،5 | 44 | 455 | 10000 | 12000 | 0،17 | 4cc | 30 | 43 | 17 | 13 | 1 | 1 | 13 | 35 | 36 | 48 | 49 | 52 | 3 | 4 | 1 | 1 | 0،43 | 1،4 | 0،8 |
| 320/32x/q | 32 | 58 | 17 | 42،5 | 46،5 | 4،8 | 9000 | 11000 | 0،19 | 4cc | 32 | 45،6 | 17 | 13 | 1 | 1 | 14 | 38 | 38 | 50 | 52 | 55 | 3 | 4 | 1 | 1 | 0،46 | 1،3 | 0،7 |
| 32008/38X/Q. | 38 | 68 | 19 | 60 | 71 | 7،65 | 7500 | 10000 | 0،28 | - | 38 | 54،2 | 19 | 14،5 | 1 | 1 | 15 | 46 | 44 | 60 | 62 | 65 | 4 | 4،5 | 1 | 1 | 0،37 | 1،6 | 0،9 |
| 32008X/Q. | 40 | 68 | 19 | 60 | 71 | 7،65 | 7500 | 9500 | 0،27 | 3CD | 40 | 54،2 | 19 | 14،5 | 1 | 1 | 15 | 46 | 46 | 60 | 62 | 65 | 4 | 4،5 | 1 | 1 | 0،37 | 1،6 | 0،9 |
| 32008XTN9/Q. | 40 | 68 | 19 | 60 | 71 | 7،65 | 7500 | 9500 | 0،27 | 3CD | 40 | 54،2 | 19 | 14،5 | 1 | 1 | 15 | 46 | 46 | 60 | 62 | 65 | 4 | 4،5 | 1 | 1 | 0،37 | 1،6 | 0،9 |
| 33209/ف | 45 | 85 | 32 | 108 | 143 | 16،3 | 5300 | 7500 | 0،82 | 3de | 45 | 65،2 | 32 | 25 | 1،5 | 1،5 | 22 | 52 | 52 | 72 | 78 | 81 | 5 | 7 | 1،5 | 1،5 | 0،4 | 1،5 | 0،8 |
| 32010X/Q. | 50 | 80 | 20 | 69،5 | 88 | 9،65 | 6300 | 8000 | 0،37 | 3cc | 50 | 65،6 | 20 | 15،5 | 1 | 1 | 18 | 57 | 56 | 72 | 74 | 77 | 4 | 4،5 | 1 | 1 | 0،43 | 1،4 | 0،8 |
| 32010X/QCL7CVB026 | 50 | 80 | 20 | 69،5 | 88 | 9،65 | 6300 | 8000 | 0،37 | 3cc | 50 | 65،6 | 20 | 15،5 | 3 | 1 | 18 | 57 | 62 | 72 | 74 | 77 | 4 | 4،5 | 2،5 | 1 | 0،43 | 1،4 | 0،8 |
| 32012X/QCL7C | 60 | 95 | 23 | 95 | 122 | 13،4 | 5300 | 6700 | 0،59 | 4cc | 60 | 77،8 | 23 | 17،5 | 1،5 | 1،5 | 21 | 67 | 67 | 85 | 88 | 91 | 4 | 5 | 1،5 | 1،5 | 0،43 | 1،4 | 0،8 |
| 32014X/Q. | 70 | 110 | 25 | 116 | 153 | 17،3 | 4500 | 5600 | 0،84 | 4cc | 70 | 89،8 | 25 | 19 | 1،5 | 1،5 | 23 | 78 | 77 | 98 | 103 | 105 | 5 | 6 | 1،5 | 1،5 | 0،43 | 1،4 | 0،8 |
| 32015X/Q. | 75 | 115 | 25 | 122 | 163 | 18،6 | 4300 | 5300 | 0،90 | 4cc | 75 | 95،1 | 25 | 19 | 1،5 | 1،5 | 25 | 83 | 82 | 103 | 108 | 110 | 5 | 6 | 1،5 | 1،5 | 0،46 | 1،3 | 0،7 |
| 32016X/Q. | 80 | 125 | 29 | 138 | 216 | 24،5 | 3600 | 5000 | 1،30 | 3cc | 80 | 103 | 29 | 22 | 1،5 | 1،5 | 27 | 90 | 87 | 112 | 117 | 120 | 6 | 7 | 1،5 | 1،5 | 0،43 | 1،4 | 0،8 |
| 32018X/Q. | 90 | 140 | 32 | 168 | 270 | 31 | 3200 | 4300 | 175 | 3cc | 90 | 115 | 32 | 24 | 2 | 1،5 | 30 | 100 | 98 | 125 | 132 | 134 | 6 | 8 | 2 | 1،5 | 0،43 | 1،4 | 0،8 |
| 32019X/Q. | 95 | 145 | 32 | 168 | 270 | 30،5 | 3200 | 4300 | 180 | 4cc | 95 | 120 | 32 | 24 | 2 | 1،5 | 31 | 105 | 104 | 130 | 138 | 139 | 6 | 8 | 2 | 1،5 | 0،44 | 1،35 | 0،8 |
| 32021x/q | 105 | 160 | 35 | 201 | 335 | 37،5 | 2800 | 3800 | 240 | 4DC | 105 | 132 | 35 | 26 | 2،5 | 2 | 34 | 116 | 116 | 143 | 150 | 154 | 6 | 9 | 2 | 2 | 0،44 | 1،35 | 0،8 |
| 32022x/q | 110 | 170 | 38 | 233 | 390 | 42،5 | 2600 | 3600 | 3،05 | 4DC | 110 | 140 | 38 | 29 | 2،5 | 2 | 36 | 123 | 121 | 152 | 160 | 163 | 7 | 9 | 2 | 2 | 0،43 | 1،4 | 0،8 |
| 32021x/q | 105 | 160 | 35 | 201 | 335 | 37،5 | 2800 | 3800 | 240 | 4DC | 105 | 132 | 35 | 26 | 2،5 | 2 | 34 | 116 | 116 | 143 | 150 | 154 | 6 | 9 | 2 | 2 | 0،44 | 1،35 | 0،8 |
| 32022x/q | 110 | 170 | 38 | 233 | 390 | 42،5 | 2600 | 3600 | 3،05 | 4DC | 110 | 140 | 38 | 29 | 2،5 | 2 | 36 | 123 | 121 | 152 | 160 | 163 | 7 | 9 | 2 | 2 | 0،43 | 1،4 | 0،8 |
| 32024x | 120 | 180 | 38 | 242 | 415 | 44 | 2400 | 3400 | 3،25 | 4DC | 120 | 150 | 38 | 29 | 2،5 | 2 | 39 | 132 | 131 | 161 | 170 | 173 | 7 | 9 | 2 | 2 | 0،46 | 1،3 | 0،7 |
| 32026x | 130 | 200 | 45 | 314 | 540 | 55 | 2200 | 3000 | 4،95 | 4ec | 130 | 165 | 45 | 34 | 2،5 | 2 | 42 | 144 | 142 | 178 | 190 | 192 | 7 | 11 | 2 | 2 | 0،43 | 1،4 | 0،8 |
| 32028x | 140 | 210 | 45 | 330 | 585 | 58،5 | 2200 | 2800 | 5،25 | 4DC | 140 | 175 | 45 | 34 | 2،5 | 2 | 46 | 153 | 152 | 187 | 200 | 202 | 7 | 11 | 2 | 2 | 0،46 | 1،3 | 0،7 |
| 32030x | 150 | 225 | 48 | 369 | 655 | 65،5 | 2000 | 2600 | 6،35 | 4ec | 150 | 187 | 48 | 36 | 3 | 2،5 | 49 | 164 | 164 | 200 | 213 | 216 | 8 | 12 | 2،5 | 2 | 0،46 | 1،3 | 0،7 |
| 32032x | 160 | 240 | 51 | 429 | 780 | 78 | 1800 | 2400 | 7،75 | 4ec | 160 | 200 | 51 | 38 | 3 | 2،5 | 52 | 175 | 174 | 213 | 228 | 231 | 8 | 13 | 2،5 | 2 | 0،46 | 1،3 | 0،7 |
| 32034x | 170 | 260 | 57 | 512 | 915 | 90 | 1700 | 2200 | 10،5 | 4ec | 170 | 214 | 57 | 43 | 3 | 2،5 | 56 | 188 | 184 | 230 | 246 | 249 | 10 | 14 | 2،5 | 2 | 0،44 | 1،35 | 0،8 |
| 32036x | 180 | 280 | 64 | 644 | 1160 | 110 | 1600 | 2200 | 14،5 | 3FD | 180 | 229 | 64 | 48 | 3 | 2،5 | 59 | 199 | 194 | 247 | 266 | 267 | 10 | 16 | 2،5 | 2 | 0،43 | 1،4 | 0،8 |
| 32038x | 190 | 290 | 64 | 660 | 1200 | 112 | 1500 | 2000 | 15،0 | 4FD | 190 | 240 | 64 | 48 | 3 | 2،5 | 62 | 210 | 204 | 257 | 276 | 279 | 10 | 16 | 2،5 | 2 | 0،44 | 1،35 | 0،8 |
| 32040x | 200 | 310 | 70 | 748 | 1370 | 127 | 1400 | 1900 | 19،5 | 4FD | 200 | 254 | 70 | 53 | 3 | 2،5 | 66 | 222 | 214 | 273 | 296 | 297 | 11 | 17 | 2،5 | 2 | 0،43 | 1،4 | 0،8 |
| 32044x | 220 | 340 | 76 | 897 | 1660 | 150 | 1300 | 1700 | 25،5 | 4FD | 220 | 279 | 76 | 57 | 4 | 3 | 72 | 244 | 236 | 300 | 325 | 326 | 12 | 19 | 3 | 2،5 | 0،43 | 1،4 | 0،8 |
| 32048x | 240 | 360 | 76 | 935 | 1800 | 160 | 1200 | 1600 | 27،5 | 4FD | 240 | 299 | 76 | 57 | 4 | 3 | 78 | 262 | 256 | 318 | 345 | 346 | 12 | 19 | 3 | 2،5 | 0،46 | 1،3 | 0،7 |
| 32052x | 260 | 400 | 87 | 1170 | 2200 | 190 | 1100 | 1400 | 40،0 | 4FC | 260 | 328 | 87 | 65 | 5 | 4 | 84 | 287 | 282 | 352 | 383 | 383 | 13 | 22 | 4 | 3 | 0،43 | 1،4 | 0،8 |
| 32056x | 280 | 420 | 87 | 1210 | 2360 | 200 | 1000 | 1300 | 40،5 | 4FC | 280 | 348 | 87 | 65 | 5 | 4 | 89 | 305 | 302 | 370 | 400 | 402 | 14 | 22 | 4 | 3 | 0،46 | 1،3 | 0،7 |
| 32060x | 300 | 460 | 100 | 1540 | 3000 | 250 | 900 | 1200 | 58،0 | 4GD | 300 | 377 | 100 | 74 | 5 | 4 | 97 | 330 | 322 | 404 | 440 | 439 | 15 | 26 | 4 | 3 | 0،43 | 1،4 | 0،8 |
| 32064x | 320 | 480 | 100 | 1540 | 3100 | 255 | 850 | 1100 | 64،0 | 4GD | 320 | 399 | 100 | 74 | 5 | 4 | 103 | 350 | 342 | 424 | 460 | 461 | 15 | 26 | 4 | 3 | 0،46 | 1،3 | 0،7 |
نبذة عن Yinin
تطبيقات الصناعة
معلومات إخبارية
تواصل معنا
الاستشارات الفنية
حلول مخصصة
بحث وتطوير مستمر
مراقبة الجودة
الدعم الفني والتدريب
رد سريع
إذا كانت لديك أي استشارة فنية أو ملاحظة، فسنرد عليك بأفضل شكل ممكن!