سلسلة 32300 مدبب الأسطوانة تحمل
سلسلة 32300 مدبب الأسطوانة تحمل
سلسلة 32300 مدبب الأسطوانة تحمل

سلسلة 32300

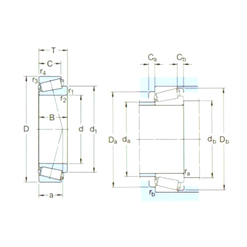
ال 32300 سلسلة محامل مدبب هي محامل قابلة للفصل عالية السعة مصممة لإدارة الأحمال الشعاعية والمحورية الكبيرة في وقت واحد. تتميز هذه السلسلة بهندسة داخلية شديدة الانحدار حيث تتلاقى زوايا الاتصال لمجرى السباق الداخلي (المخروط)، ومجرى السباق الخارجي (الكوب)، والبكرات المدببة عند قمة مشتركة على محور المحمل. يضمن هذا التصميم المحدد حركة دحرجة حقيقية واحتكاكًا منخفضًا أثناء التشغيل. تم تصنيع سلسلة 32300 من فولاذ الكروم عالي النقاء، وتتميز بمقطع عرضي أكبر وقطر بكرة متزايد مقارنة بالسلسلة القياسية، مما يوفر قدرة حمل محسنة وصلابة هيكلية. عادة ما يتم تركيب هذه المحامل في أزواج لتحقيق القيد المحوري ثنائي الاتجاه، مما يجعلها مكونات أساسية في عمليات نقل الطاقة الميكانيكية للخدمة الشاقة وتجميعات محاور المركبات.

إرسال استفسار

المواصفات الفنية وملف الأداء: 32300 سلسلة محامل مدبب

المزايا التقنية الأساسية

  • إدارة الأحمال المجمعة: تم تصميمه لدعم قوة الدفع العالية والقوى الشعاعية من خلال تحسينها زوايا الاتصال مدبب .
  • مكونات قابلة للفصل: يمكن تركيب الكوب ومجموعة المخروط (البكرات والقفص) بشكل مستقل، مما يسهل عملية الصيانة تعديل التخليص الدقيق .
  • استقرار الأبعاد العالية: تضمن عمليات المعالجة الحرارية المتخصصة احتفاظ المحمل بمكانته التفاوتات الهندسية في ظل الظروف الحرارية المتقلبة.
  • احتكاك تشغيلي منخفض: تعمل المجاري المائية الدقيقة على تقليل خشونة السطح، مما يقلل من عزم الدوران وتراكم الحرارة أثناء ذلك دوران عالي السرعة .

الخصائص التقنية

مواصفات المواد GCr15 فولاذ محمل بالكروم عالي الكربون
مادة القفص الفولاذ المضغوط / النحاس الميكانيكي (يعتمد على التطبيق)
درجة الدقة P0 (عادي)، P6، P5
نوع التحميل أحادي الاتجاه محوري عالي شعاعي
نطاق درجة الحرارة -30 درجة مئوية إلى 120 درجة مئوية (التشحيم القياسي)

سيناريوهات التطبيق الأساسي

  • محركات السيارات: محاور عجلات الشاحنات الثقيلة، الفوارق ، وأنظمة النقل.
  • الآلات الصناعية: المكونات الأساسية في وحدات تخفيض علبة التروس ، مصانع الدرفلة، ومعدات التعدين.
  • معدات البناء: تم دمجها في مجموعات القيادة النهائية للحفارات والجرافات التي تتطلبها مقاومة تحميل الصدمات .
  • الهندسة الزراعية: النقاط المحورية عالية الضغط وأعمدة القيادة في الجرارات وآلات الحصاد.

بروتوكولات التثبيت والصيانة

التخزين والمناولة

يجب تخزين المحامل في بيئة نظيفة وجافة مع أ درجة حرارة ثابتة لمنع تكثيف الرطوبة. يجب أن تظل الطبقة الدهنية الواقية الأصلية سليمة؛ لا تقم بإزالة التعبئة والتغليف المضادة للصدأ حتى لحظة التثبيت. تجنب التكديس العمودي بما يتجاوز الارتفاعات المحددة لمنع ذلك تشوه بيضاوي الشكل من الخواتم.

احتياطات الاستخدام

  • تعديل الخلوص المحوري: أثناء التجميع، نهاية التشغيل أو التحميل المسبق يجب ضبطه بدقة وفقًا لمواصفات الشركة المصنعة لتجنب التعب المبكر أو ارتفاع درجة الحرارة.
  • التحكم في التلوث: تأكد من أن الهيكل والعمود خاليان من الجزيئات الكاشطة؛ الاستفادة الأختام المتوافقة للحفاظ على نقاء مواد التشحيم في البيئات الخارجية أو المتربة.
  • اختيار التشحيم: استخدم إضافات الضغط الشديد (EP). في الشحوم للتطبيقات التي تنطوي على أحمال صدمات ثقيلة للحفاظ على طبقة زيت كافية بين البكرات والمجاري المائية.
  • التحقق من المحاذاة: تأكد تركيز رمح إلى السكن يقع ضمن الحدود المحددة لمنع تحميل الحافة على الأسطوانات المدببة.

مواصفات المنتج

التعيين الأبعاد الرئيسية (مم) تقييمات الحمل الأساسية (KN) بو تقييمات السرعة (دورة في الدقيقة) الوزن (كجم) ISO335 الأبعاد (مم) أبعاد الدعامة والشرائح (مم) القيمة
د1 د ب ديك (كر) شركة stc(كور) تقييمات السرعة الحد من السرعة دimensions (ABMA) د د1~ ب ج ص1،2 (دقيقة) ص3،4 (دقيقة) أ دa(max) دb(min) دa(min) دa(max) دb(min) جa(min) جb(min) را (ماكس) آر بي (الحد الأقصى) ه ي يo
32303J2/س 17 47 20,25 40 33,5 3,65 12000 16000 0,17 2FD 17 30,7 19 16 1 1 12 24 23 39 41 43 3 4 1 1 0,28 2,1 1,1
32304J2/س 20 52 22,25 51 45,5 5 12000 14000 0,23 2FD 20 34,5 21 18 1,5 1,5 14 27 27 43 45 47 3 4 1,5 1,5 0,3 2 1,1
32305J2 25 62 25,25 60,5 63 7,1 8000 12000 0,36 2FD 25 41,7 24 20 1,5 1,5 15 33 32 52 55 57 3 5 1,5 1,5 0,3 2 1,1
32306J2/س 30 72 28,75 88 85 9,65 7500 10000 0,55 2FD 30 48,7 27 23 1,5 1,5 18 39 37 59 65 66 3 5,5 1,5 1,5 0,31 1,9 1,1
32307J2/س 35 80 32,75 95,2 106 12,2 6700 9000 0,73 2FE 35 54,8 31 25 2 1,5 20 44 44 66 71 74 4 7,5 2 1,5 0,31 1,9 1,1
32307BJ2/س 35 80 32,75 93,5 114 13,2 6300 8500 0,80 5FE 35 59,3 31 25 2 1,5 24 42 44 61 71 76 4 7,5 2 1,5 0,54 1,1 0,6
32307/37BJ2/س 37 80 32,75 93,5 114 13,2 6300 8500 0,85 - 37 54,8 31 25 2 1,5 20 44 44 66 71 74 4 7,5 2 1,5 0,54 1,1 0,6
32308J2/س 40 90 35,25 117 140 16 5300 8000 1,00 2FD 40 62,9 33 27 2 1,5 23 51 49 73 81 82 3 8 2 1,5 0,35 1,7 0,9
32309J2/س 45 100 38,25 140 170 20,4 4800 7000 1,35 2FD 45 70,4 36 30 2 1,5 25 57 53 82 91 93 4 8 2 1,5 0,35 1,7 0,9
32309BJ2/QCL7C 45 100 38,25 156 176 20 5000 6700 1,45 5FD 45 74,8 36 30 2 1,5 30 55 53 76 91 94 5 8 2 1,5 0,54 1,1 0,6
32310J2/س 50 110 42,25 172 212 24 4300 6300 1,80 2FD 50 77,7 40 33 2,5 2 27 63 60 90 100 102 5 9 2 2 0,35 1,7 0,9
32310TN9 50 110 42,25 172 212 24 4300 6300 1,80 2FD 50 77,7 40 33 2,5 2 27 63 60 90 100 102 5 9 2 2 0,35 1,7 0,9
32310BJ2/QCL7C 50 110 42,25 183 216 24,5 4500 6000 1,85 5FD 50 82,9 40 33 2,5 2 34 62 60 83 100 103 5 9 2 2 0,54 1,1 0,6
32311J2 55 120 45,5 198 250 28,5 4000 5600 2,30 2FD 55 84,6 43 35 2,5 2 29 68 65 99 112 111 5 10,5 2 2 0,35 1,7 0,9
32311BJ2/QCL7C 55 120 45,5 216 260 30 4300 5600 2,50 5FD 55 90,5 43 35 2,5 2 36 67 65 91 112 112 5 10,5 2 2 0,54 1,1 0,6
32312J2/س 60 130 48,5 229 290 34 3600 5300 2,85 2FD 60 91,7 46 37 3 2,5 31 74 72 107 118 120 6 11,5 2,5 2 0,35 1,7 0,9
32312BJ2/QCL7C 60 130 48,5 255 305 35,5 3800 5000 2,80 5FD 60 98,1 46 37 3 2,5 38 73 72 99 118 122 6 11,5 2,5 2 0,54 1,1 0,6
32313J2/س 65 140 51 264 335 40 3400 4800 3,45 2 جيجا 65 99,2 48 39 3 2,5 33 80 77 117 128 130 6 12 2,5 2 0,35 1,7 0,9
32313BJ2/QU4CL7CVQ267 65 140 51 285 345 40,5 3600 4800 3,35 5 جيجا 65 105 48 39 3 2,5 41 79 77 107 128 131 6 12 2,5 2 0,54 1,1 0,6
32314J2/س 70 150 54 297 380 45 3200 4500 4,30 2 جيجا 70 106 51 42 3 2,5 36 86 82 125 138 140 6 12 2,5 2 0,35 1,7 0,9
32314BJ2/QCL7C 70 150 54 325 400 46,5 3400 4300 4,25 5 جيجا 70 113 51 42 3 2,5 44 85 82 115 138 141 7 12 2,5 2 0,54 1,1 0,6
32315J2 75 160 58 336 440 51 3000 4300 5,20 2 جيجا 75 113 55 45 3 2,5 38 92 87 133 148 149 7 13 2,5 2 0,35 1,7 0,9
32315BJ2/QCL7C 75 160 58 380 475 55 3200 4000 5,55 5 جيجا 75 120 55 45 3 2,5 46 90 87 124 148 151 7 13 2,5 2 0,54 1,1 0,6
32316J2 80 170 61,5 380 500 57 3000 4300 6,20 2 جيجا 80 120 58 48 3 2,5 41 98 92 142 158 159 7 13,5 2,5 2 0,35 1,7 0,9
32317J2 85 180 63,5 402 530 60 2800 4000 6,85 2 جيجا 85 126 60 49 4 3 42 103 99 150 166 167 7 14,5 3 2,5 0,35 1,7 0,9
32317BJ2 85 180 63,5 391 560 62 2800 4000 7,50 5 جيجا 85 135 60 49 4 3 52 102 99 138 166 169 7 14,5 3 2,5 0,54 1,1 0,6
32318J2 90 190 67,5 457 610 67 2600 4000 8,40 2 جيجا 90 133 64 53 4 3 44 109 105 157 176 177 7 14,5 3 2,5 0,35 1,7 0,9
32319J2 95 200 71,5 501 670 72 2400 3400 11,0 2 جيجا 95 141 67 55 4 3 47 115 110 166 186 186 8 16,5 3 2,5 0,35 1,7 0,9
32320J2 100 215 77,5 572 780 83 2200 3000 12,5 2 جيجا 100 151 73 60 4 3 51 123 115 177 201 200 8 17,5 3 2,5 0,35 1,7 0,9
32321J2 105 225 81,5 605 815 85 2000 3000 14,5 2 جيجا 105 158 77 63 4 3 53 129 120 185 211 209 9 18,5 3 2,5 0,35 1,7 0,9
32322 110 240 84,5 627 830 86,5 1900 2800 17,0 2 جيجا 110 168 80 65 4 3 55 137 125 198 226 222 9 19,5 3 2,5 0,35 1,7 0,9
32324J2 120 260 90,5 792 1120 110 1800 2600 21,5 2 جيجا 120 181 86 69 4 3 60 148 135 213 245 239 9 21,5 3 2,5 0,35 1,7 0,9

نبذة عن Yinin

شركة شنغهاي يينين محمل ونقل تأسست عام ٢٠٠٩، بخبرة تزيد عن ٢٠ عامًا في مجال المحامل. نحن الصين سلسلة 32300 مدبب الأسطوانة تحمل شركة مصنعة ونقدم منتجات مخصصة سلسلة 32300 مدبب الأسطوانة تحمل مصنع. منذ عام ١٩٩٩، نعمل كوكلاء لمصنعي المحامل الصينيين، ونصدر أنواعًا مختلفة من المحامل. واليوم، تطورنا لنصبح مجموعة محامل شاملة تجمع بين المبيعات والتصنيع.

تطبيقات الصناعة

تلعب المحامل أيضًا دورًا مهمًا للغاية في الآلات الزراعية. يتم استخدامها لدعم الأجزاء الدوارة ، وت...

تستخدم المحامل على نطاق واسع في السيارات. إنها الأجزاء الرئيسية الداعمة والدورة من العديد من الأج...

تستخدم في الدعم والطول والزاوية والمفصل والدوار من المعدات الطبية.

تستخدم لدعم وتناوب وأجزاء محرك وضاغط من الأجهزة المنزلية.

تستخدم للتناوب وحركة الدعم وتوجيه أجزاء من معدات الأتمتة

في هياكل البناء ، يمكن استخدام المحامل لتوصيل مكونات هيكلية مختلفة.

في عملية إنتاج المواد الغذائية والمشروبات ، هناك حاجة إلى مضخات لنقل السوائل والضواغط تستخدم لضغط...

يتم استخدام المحامل في محركات الطائرات والمركبة الفضائية لدعم المكونات الدوارة مثل التوربينات وال...

معلومات إخبارية

معرفة المزيد

2026-04-30

محامل الفولاذ المقاوم للصدأ: دليل مقارنة الصدأ والتصنيع...
محامل الفولاذ المقاوم للصدأ هي من بين المواد الحاملة الأكثر استخدامًا في المنتجات الصناعية والاستهلاكية. إنها توفر مقاومة جيدة للتآكل في معظم البيئات، ولكنها ليست مقاومة تمامًا للصدأ، كما أنه...

2026-04-23

الاستراتيجيات الهندسية لتحسين عمر الخدمة للمحامل الكروي...
تأسست شركة Shanghai Yinin Bearing & Transmission Company كمؤسسة صناعية وتجارية متكاملة منذ عام 2016، وهي متخصصة في التصميم والتصنيع الشاملين للمكونات الدوارة المتطورة. مع تاريخ يعود إلى عام 1999 وف...

2026-04-15

كيفية تحديد الخلوص الداخلي المناسب لمحمل كروي مزدوج الص...
تأثير سرعات الدوران العالية على خلوص المحمل قوة الطرد المركزي والتمدد الحراري : في التطبيقات عالية السرعة، الحلقة الداخلية لل الاتصال الزاوي الكرة صف مزدوج تعمل عادةً عند ...

تواصل معنا

SUBMIT

الاستشارات الفنية

  • شركة شنغهاي يينين محمل ونقل

    حلول مخصصة

  • شركة شنغهاي يينين محمل ونقل

    بحث وتطوير مستمر

  • شركة شنغهاي يينين محمل ونقل

    مراقبة الجودة

  • شركة شنغهاي يينين محمل ونقل

    الدعم الفني والتدريب

  • شركة شنغهاي يينين محمل ونقل

    رد سريع

إذا كانت لديك أي استشارة فنية أو ملاحظة، فسنرد عليك بأفضل شكل ممكن!

تواصل معنا