سلسلة LV تتبع محامل الأسطوانة
سلسلة LV تتبع محامل الأسطوانة
سلسلة LV تتبع محامل الأسطوانة

سلسلة LV

محامل دليل سلسلة LV هي نوع من المحمل المستخدمة خصيصًا في أنظمة الدليل الخطي ويتم استخدامها بشكل شائع في معدات الأتمتة الصناعية والآلات الدقيقة. لديهم محيط خارجي على شكل حرف V يطابق بدقة سكة الدليل على شكل حرف V ، وبالتالي توفير تأثير متداول مستقر. لا يزيد هذا التصميم من منطقة التلامس بين سكة الدليل والأسطوانة ، ولكن أيضًا يعزز سعة الحمل ومقاومة التآكل للمحمل ، مما يجعلها مناسبة لظروف الحمل العالية والثقيلة. تستخدم محامل سلسلة LV على نطاق واسع في آلات النسيج ، والمعدات الآلية ، وآلات التغليف وغيرها

إرسال استفسار

مواصفات المنتج

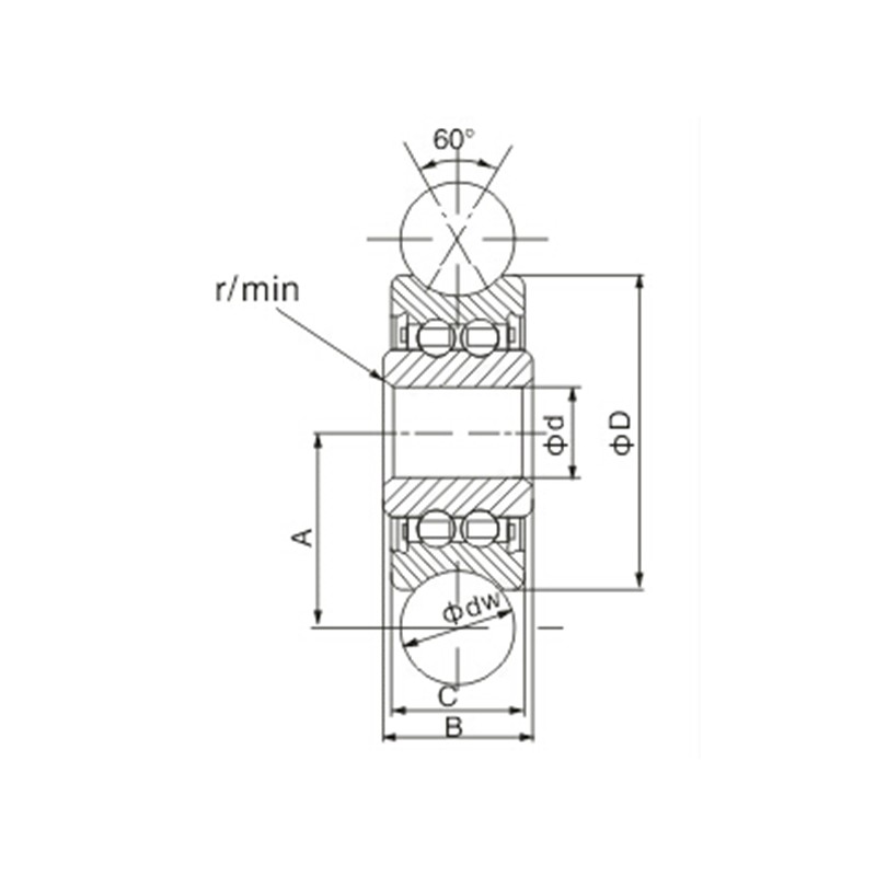
نوع العجلة وزن الأبعاد (مم) تحميل (kn)
(كجم) دW د D ب ج أ α روبية CW بقرة
LV 20/7 ZZ 17 10 7 22 11 11 14.5 120 0.3 3.78 2.05
LV 20/8 ZZ 49 10 8 30 14 14 18.1 120 0.3 5.13 2.67
LV 202-38 ZZ 87 10 15 38 17 17 22.3 120 0.5 8.47 5.37
LV 202-40 ZZ 110 10 15 40 18 18 22 120 0.5 8.47 5.37
LV 201 ZZ 130 20 12 41 20 20 28 120 0.3 8.47 5.37
LV 201-14.2rs 107 14 12 39.9 20.1 18 24 100 0.5 8.9 5
LV 202-41 ZZ 116 20 15 41 20 20 28 120 0.5 8.47 5.37
LV 203 ZZ 325 20 17 58 25 25 35 120 0.5 14.66 9.1
LV 204-57 ZZ 290 30 20 57 22 22 41 120 0.6 14.66 9.1

نبذة عن Yinin

شركة شنغهاي يينين محمل ونقل تأسست عام ٢٠٠٩، بخبرة تزيد عن ٢٠ عامًا في مجال المحامل. نحن الصين سلسلة LV تتبع محامل الأسطوانة شركة مصنعة ونقدم منتجات مخصصة سلسلة LV تتبع محامل الأسطوانة مصنع. منذ عام ١٩٩٩، نعمل كوكلاء لمصنعي المحامل الصينيين، ونصدر أنواعًا مختلفة من المحامل. واليوم، تطورنا لنصبح مجموعة محامل شاملة تجمع بين المبيعات والتصنيع.

تطبيقات الصناعة

تلعب المحامل أيضًا دورًا مهمًا للغاية في الآلات الزراعية. يتم استخدامها لدعم الأجزاء الدوارة ، وت...

تستخدم المحامل على نطاق واسع في السيارات. إنها الأجزاء الرئيسية الداعمة والدورة من العديد من الأج...

تستخدم في الدعم والطول والزاوية والمفصل والدوار من المعدات الطبية.

تستخدم لدعم وتناوب وأجزاء محرك وضاغط من الأجهزة المنزلية.

تستخدم للتناوب وحركة الدعم وتوجيه أجزاء من معدات الأتمتة

في هياكل البناء ، يمكن استخدام المحامل لتوصيل مكونات هيكلية مختلفة.

في عملية إنتاج المواد الغذائية والمشروبات ، هناك حاجة إلى مضخات لنقل السوائل والضواغط تستخدم لضغط...

يتم استخدام المحامل في محركات الطائرات والمركبة الفضائية لدعم المكونات الدوارة مثل التوربينات وال...

معلومات إخبارية

معرفة المزيد

2026-04-30

محامل الفولاذ المقاوم للصدأ: دليل مقارنة الصدأ والتصنيع...
محامل الفولاذ المقاوم للصدأ هي من بين المواد الحاملة الأكثر استخدامًا في المنتجات الصناعية والاستهلاكية. إنها توفر مقاومة جيدة للتآكل في معظم البيئات، ولكنها ليست مقاومة تمامًا للصدأ، كما أنه...

2026-04-23

الاستراتيجيات الهندسية لتحسين عمر الخدمة للمحامل الكروي...
تأسست شركة Shanghai Yinin Bearing & Transmission Company كمؤسسة صناعية وتجارية متكاملة منذ عام 2016، وهي متخصصة في التصميم والتصنيع الشاملين للمكونات الدوارة المتطورة. مع تاريخ يعود إلى عام 1999 وف...

2026-04-15

كيفية تحديد الخلوص الداخلي المناسب لمحمل كروي مزدوج الص...
تأثير سرعات الدوران العالية على خلوص المحمل قوة الطرد المركزي والتمدد الحراري : في التطبيقات عالية السرعة، الحلقة الداخلية لل الاتصال الزاوي الكرة صف مزدوج تعمل عادةً عند ...

تواصل معنا

SUBMIT

الاستشارات الفنية

  • شركة شنغهاي يينين محمل ونقل

    حلول مخصصة

  • شركة شنغهاي يينين محمل ونقل

    بحث وتطوير مستمر

  • شركة شنغهاي يينين محمل ونقل

    مراقبة الجودة

  • شركة شنغهاي يينين محمل ونقل

    الدعم الفني والتدريب

  • شركة شنغهاي يينين محمل ونقل

    رد سريع

إذا كانت لديك أي استشارة فنية أو ملاحظة، فسنرد عليك بأفضل شكل ممكن!

تواصل معنا