سلسلة SG تتبع محامل الأسطوانة
سلسلة SG تتبع محامل الأسطوانة
سلسلة SG تتبع محامل الأسطوانة

سلسلة SG

SG Series Orbital Roller Bearing هو منتج ذو أداء عالي الأداء مصمم خصيصًا لأنظمة المسار والتوجيه. يستخدمون عمليات التصنيع المتقدمة والمواد عالية الجودة لضمان الاستقرار والمتانة في الظروف القاسية. هذا المحمل له سعة ممتازة للحمل ومقاومة التآكل وهي مناسبة للتطبيقات الشاقة وعالية السرعة مثل السكك الحديدية وآلات البناء ومعدات النقل. تشمل ميزات التصميم لسلسلة SG عنصر المتداول المحسّن والأشكال الدائرية الداخلية والخارجية لتقليل الاحتكاك وتحسين الكفاءة. بالإضافة إلى ذلك ، تعمل هذه المحامل أيضًا بشكل جيد من حيث الختم ومقاومة الغبار ، مما يمتد فعليًا على عمر خدمتها. سواء في بيئات قاسية أو ظروف تشغيل معقدة ، يمكن أن توفر محامل الأسطوانة المدارية SG Series أداءً موثوقاً وضمان التشغيل الآمن للمعدات.

إرسال استفسار

SG Series Track Bearings-حلول صناعية عالية التحمل ،

SG Series Track Bearings هي محامل أسطوانة شاقة مصممة للبيئات الصناعية القاسية ، مناسبة للأحمال ذات التأثير العالي ، والتشغيل المستمر وظروف درجة الحرارة القصوى. مصنوعة من عمليات تصنيع الصلب ودقة عالية الجودة ، فهي تضمن احتكاكًا منخفضًا ، وصرقة عالية ، وحياة خدمة طويلة للغاية ، مما يجعلها مثالية لآلات البناء ومعدات الأتمتة وأنظمة السكك الحديدية.

المتانة ممتازة
مصنوعة من الفولاذ المحمول بالتفريغ (SUJ2) ، مع صلابة HRC 60-64 ، تزداد مقاومة التآكل بنسبة 50 ٪.
علاج الفوسفات السطحي ، والأداء المقاوم للصدأ يلبي معايير ISO ، مناسبة للبيئات القاسية مثل الرطوبة والغبار.

سعة حمولة عالية
يصل معدل التحميل الديناميكي (C) إلى XX KN ، يصل الحمل الثابت (C0) إلى XX KN (ملء وفقًا للبيانات الفعلية) ، مما يدعم القوى المشتركة الشعاعية والمحورية.
تصميم الخاتم الخارجي المعزز ، مقاومة التأثير أفضل بنسبة 30 ٪ من المنتجات المماثلة.

تصميم الصيانة المنخفض
بنية الختم المليئة بالشحم (اختياري ختم LLB أو غطاء الغبار المعدني) ، تصل إلى 10،000 ساعة.
يدعم التصميم المعياري الاستبدال السريع ويقلل من وقت التوقف.

عملية دقيقة
درجة التسامح تصل إلى ISO P6 ، تكون قيمة الاهتزاز التشغيلية أقل من معيار الصناعة ، ومناسبة لنظام السكك الحديدية دليل عالية الدقة.

لماذا تختار سلسلة SG الخاصة بنا؟
خدمة مخصصة: دعم الحجم غير القياسي ، طلاء خاص (مثل طلاء النيكل) وتخصيص زيوت التشحيم.
التحقق العالمي: يتم تصدير المنتجات إلى 30 دولة.

سيناريوهات التطبيق
الآلات الصناعية: آلات الطباعة ، آلات صناعة الورق ، آلات الأتمتة ، آلات النسيج ، آلات البيع ، آلات النجارة الخشبية ، آلات التغليف
المعدات الإلكترونية: الأسلحة الآلية ، معدات القياس ، منصات X-Y ، المعدات الطبية ، معدات أتمتة المصنع
الآلات الدوارة: مفاعلات معالجة الحرارة المعدنية ، أنظمة الفرامل ، إلخ.
صناعة الطيران: مكابح رفرف الطائرات ، فرامل المقاعد ، الصواريخ ، معدات المطار ، إلخ.
آخرون: البث الفرامل الهوائي ، وضوابط الأبواب والنافذة ، والضوابط الطبية للأسرة ، ومرافق وقوف السيارات ، وأبواب أدوات الآلة ، وأتمتة المختبر ، إلخ.

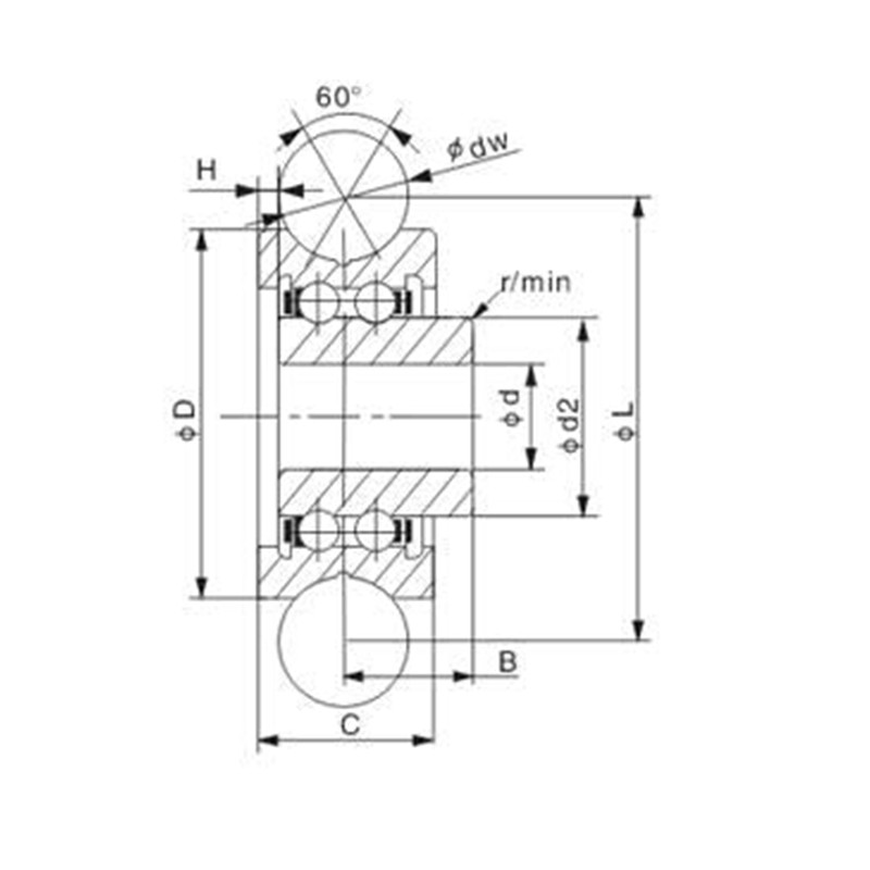
مواصفات المنتج

يكتب الأبعاد (مم) تحميل (kn) وزن
دW د D ج ب ل D2 ح CW بقرة (كجم)
SG15 6 5 17 8 5.75 20.46 8.6 1 1.27 0.82 8
SG15-10 10 5 17 8 5.75 25.5 8.6 1 1.27 0.82 9
SG20 8 6 24 11 7.25 28.62 11.1 1.2 3.4 1.7 25
SG25 10 8 30 14 8.5 35.77 13 1.5 3.67 2.28 49
SG35 12 12 42 19 12.5 48.93 18 1.5 8.5 5.1 136
SG15N 6 5 17 8 5.75 20.46 8.6 0.5 1.27 0.82 8
SG20N 8 6 24 11 7.25 28.62 11.1 0.7 3.4 1.7 25
SG25N 10 8 30 14 8.5 35.77 13 1 3.67 2.28 49
SG35N 12 12 42 19 12.5 48.93 18 1 8.5 5.1 136

نبذة عن Yinin

شركة شنغهاي يينين محمل ونقل تأسست عام ٢٠٠٩، بخبرة تزيد عن ٢٠ عامًا في مجال المحامل. نحن الصين سلسلة SG تتبع محامل الأسطوانة شركة مصنعة ونقدم منتجات مخصصة سلسلة SG تتبع محامل الأسطوانة مصنع. منذ عام ١٩٩٩، نعمل كوكلاء لمصنعي المحامل الصينيين، ونصدر أنواعًا مختلفة من المحامل. واليوم، تطورنا لنصبح مجموعة محامل شاملة تجمع بين المبيعات والتصنيع.

تطبيقات الصناعة

تلعب المحامل أيضًا دورًا مهمًا للغاية في الآلات الزراعية. يتم استخدامها لدعم الأجزاء الدوارة ، وت...

تستخدم المحامل على نطاق واسع في السيارات. إنها الأجزاء الرئيسية الداعمة والدورة من العديد من الأج...

تستخدم في الدعم والطول والزاوية والمفصل والدوار من المعدات الطبية.

تستخدم لدعم وتناوب وأجزاء محرك وضاغط من الأجهزة المنزلية.

تستخدم للتناوب وحركة الدعم وتوجيه أجزاء من معدات الأتمتة

في هياكل البناء ، يمكن استخدام المحامل لتوصيل مكونات هيكلية مختلفة.

في عملية إنتاج المواد الغذائية والمشروبات ، هناك حاجة إلى مضخات لنقل السوائل والضواغط تستخدم لضغط...

يتم استخدام المحامل في محركات الطائرات والمركبة الفضائية لدعم المكونات الدوارة مثل التوربينات وال...

معلومات إخبارية

معرفة المزيد

2026-04-30

محامل الفولاذ المقاوم للصدأ: دليل مقارنة الصدأ والتصنيع...
محامل الفولاذ المقاوم للصدأ هي من بين المواد الحاملة الأكثر استخدامًا في المنتجات الصناعية والاستهلاكية. إنها توفر مقاومة جيدة للتآكل في معظم البيئات، ولكنها ليست مقاومة تمامًا للصدأ، كما أنه...

2026-04-23

الاستراتيجيات الهندسية لتحسين عمر الخدمة للمحامل الكروي...
تأسست شركة Shanghai Yinin Bearing & Transmission Company كمؤسسة صناعية وتجارية متكاملة منذ عام 2016، وهي متخصصة في التصميم والتصنيع الشاملين للمكونات الدوارة المتطورة. مع تاريخ يعود إلى عام 1999 وف...

2026-04-15

كيفية تحديد الخلوص الداخلي المناسب لمحمل كروي مزدوج الص...
تأثير سرعات الدوران العالية على خلوص المحمل قوة الطرد المركزي والتمدد الحراري : في التطبيقات عالية السرعة، الحلقة الداخلية لل الاتصال الزاوي الكرة صف مزدوج تعمل عادةً عند ...

تواصل معنا

SUBMIT

الاستشارات الفنية

  • شركة شنغهاي يينين محمل ونقل

    حلول مخصصة

  • شركة شنغهاي يينين محمل ونقل

    بحث وتطوير مستمر

  • شركة شنغهاي يينين محمل ونقل

    مراقبة الجودة

  • شركة شنغهاي يينين محمل ونقل

    الدعم الفني والتدريب

  • شركة شنغهاي يينين محمل ونقل

    رد سريع

إذا كانت لديك أي استشارة فنية أو ملاحظة، فسنرد عليك بأفضل شكل ممكن!

تواصل معنا